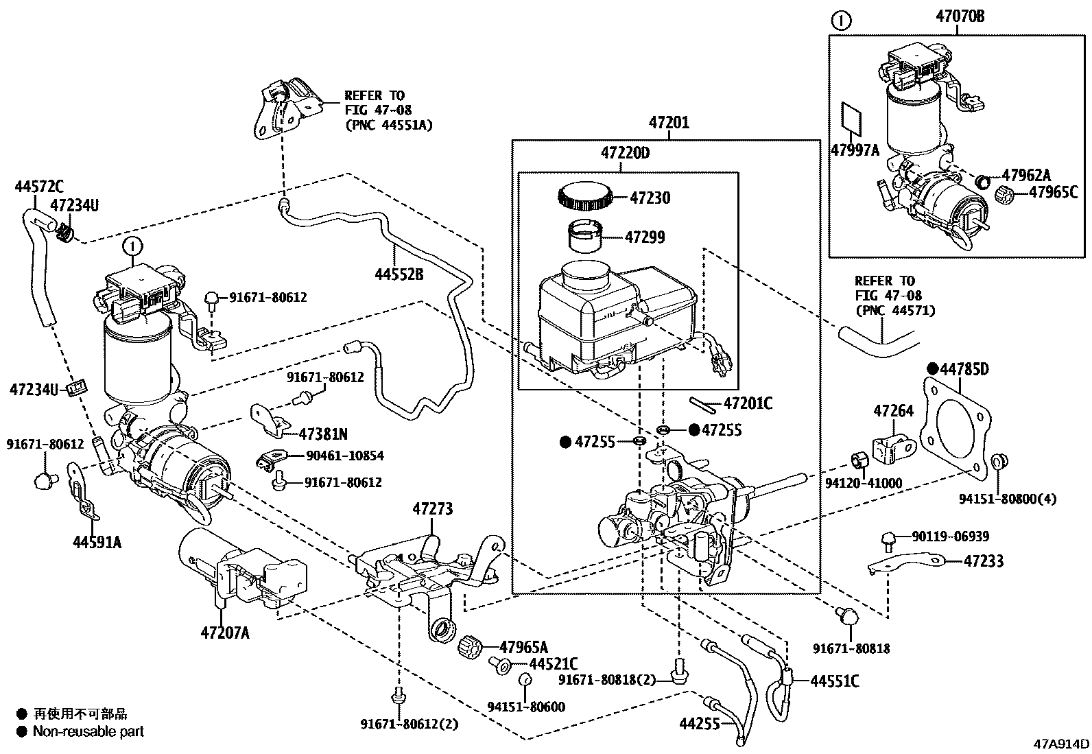
BRAKE MASTER CYLINDER

44255TUBE, BRAKE MASTER CYLINDER
44521CCOLLAR, BRAKE ACTUATOR CASE
44552BTUBE, BRAKE ACTUATOR, NO.2
44572CHOSE, BRAKE ACTUATOR, NO.2
44591ABRACKET, BRAKE ACTUATOR, NO.1
44785DGASKET, BRAKE MASTER CYLINDER
47070BPUMP ASSY, BRAKE BOOSTER W/ACCUMULATOR
4708BRAKE TUBE & CLAMP
47201CYLINDER SUB-ASSY, BRAKE MASTER
47201CRING PIN, BRAKE MASTER CYLINDER
47207ACYLINDER SUB-ASSY, BRAKE STROKE SIMULATOR
47220DRESERVOIR ASSY, BRAKE MASTER CYLINDER
47230CAP ASSY, BRAKE MASTER CYLINDER RESERVOIR FILLER
47233BRACKET, RESERVOIR
47234UCLIP(FOR RESERVOIR HOSE NO.1)
47255GROMMET, MASTER CYLINDER RESERVOIR
47264CLEVIS, MASTER CYLINDER PUSH ROD
47273BRACKET, BRAKE STROKE SIMULATOR
47299STRAINER, BRAKE MASTER CYLINDER RESERVOIR
47381NBRACKET, TUBE CLAMP
47962ACOLLAR, BRAKE BOOSTER PUMP
47965ABUSH, BRAKE BOOSTER PUMP
47965CBUSH, BRAKE BOOSTER PUMP, NO.2
47997ALABEL, ACCUMULATOR CAUTION, NO.1
9011906939
main90119-06939
9046110854
main90461-10854
9167180612
main91671-80612
9167180818
main91671-80818
9412041000
main94120-41000
9415180600
main94151-80600
9415180800
main94151-80800
32 parts on this diagram · 3 diagrams in section