FRONT FENDER APRON & DASH PANEL

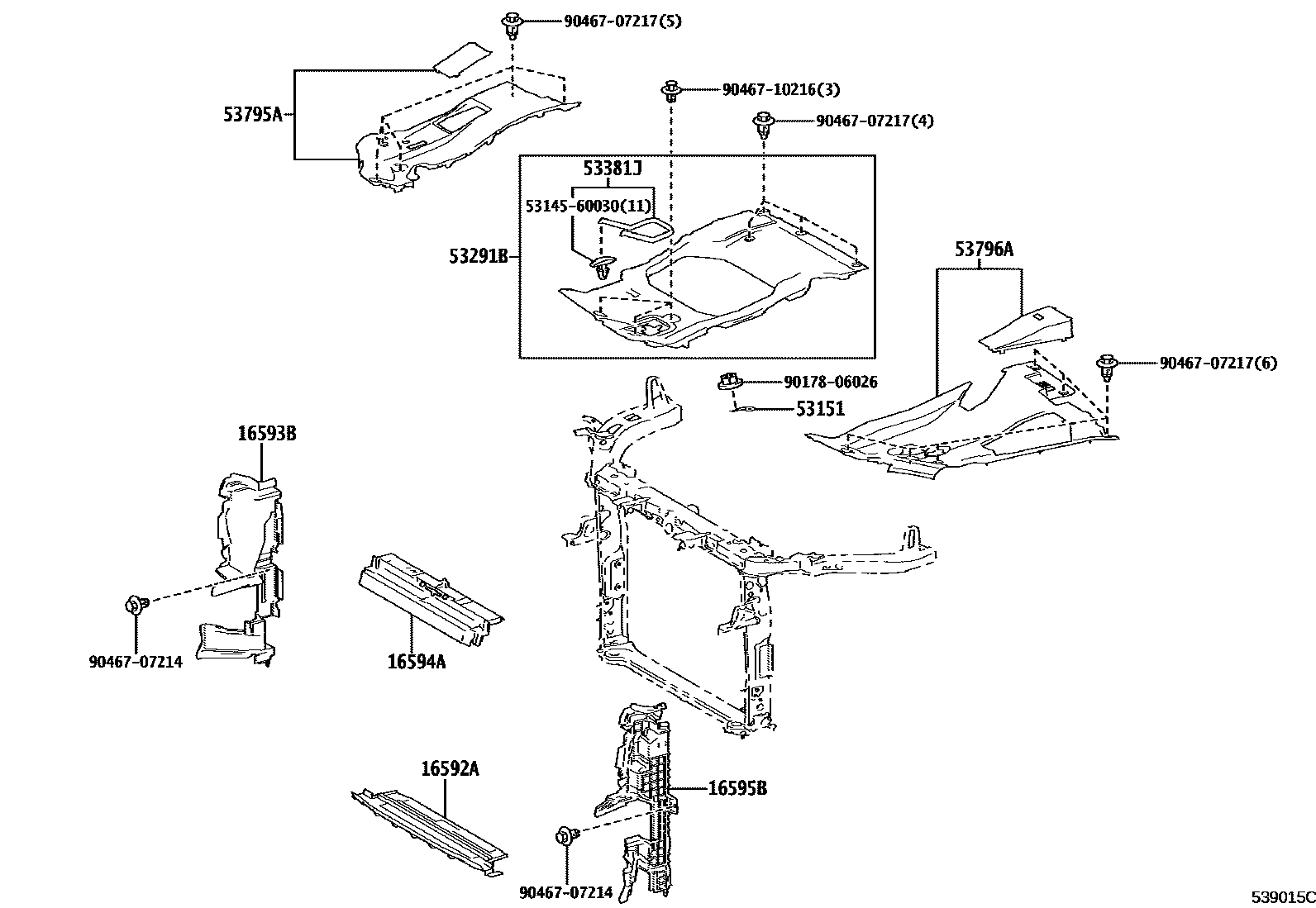
16592AGUIDE, RADIATOR AIR, NO.3
16593BGUIDE, RADIATOR AIR, NO.1 RH
16594AGUIDE, RADIATOR AIR, NO.2
16595BGUIDE, RADIATOR AIR, NO.1 LH
53151BRACKET, RADIATOR COVER SUPPORT
53291BPLATE, RADIATOR COVER
53381JSEAL, HOOD TO RADIATOR SUPPORT
53795ACOVER, ENGINE ROOM, SIDE
53796ACOVER, ENGINE ROOM SIDE, LH
5314560030BRACKET,RADIATOR GRILLE MOUNTING, RH
main53145-60030
9017806026
main90178-06026
9046707214
main90467-07214
9046707217
main90467-07217
9046710216
main90467-10216
14 parts on this diagram · 3 diagrams in section