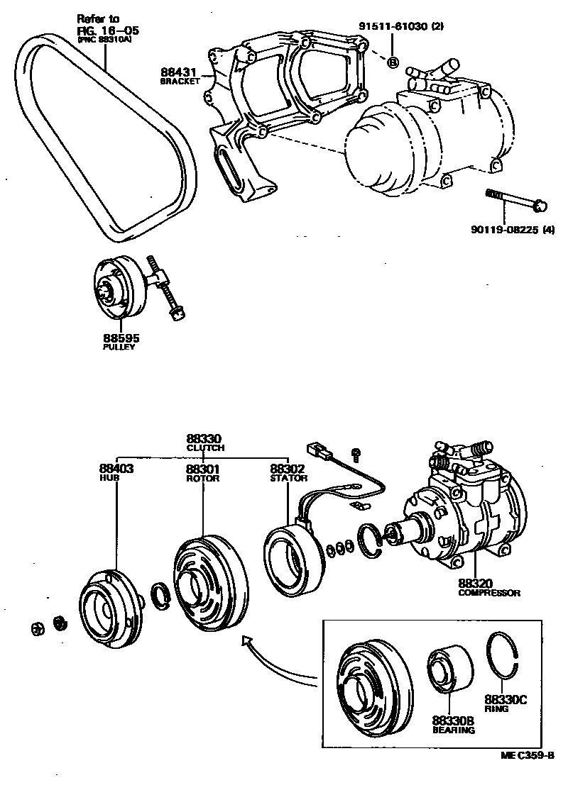
HEATING & AIR CONDITIONING - COMPRESSOR

1605V-BELT
88301ROTOR SUB-ASSY, MAGNET CLUTCH
88302STATOR SUB-ASSY, MAGNET CLUTCH
88320COMPRESSOR ASSY, COOLER
88330CLUTCH ASSY, MAGNET
88330BBEARING, MAGNET CLUTCH
88330CRING, SNAP (FOR MAGNET CLUTCH)
88403HUB SUB-ASSY, MAGNET CLUTCH
88431BRACKET, COMPRESSOR MOUNTING, NO.1
88595PULLEY, COOLER COMPRESSOR IDLE
9011908225
main90119-08225
9151161030
main91511-61030
12 parts on this diagram · 1 diagram in section