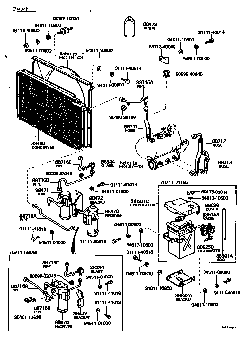
HEATING & AIR CONDITIONING - COOLER PIPING

1603RADIATOR & WATER OUTLET
8719HEATING & AIR CONDITIONING - COMPRESSOR
88460CONDENSER ASSY, COOLER
88470RECEIVER & DRYER ASSY, COOLER
88471TANK, RECEIVER AIR CONDITIONER
88472BRACKET, RECEIVER TANK, NO.1
88479FREON GAS, AIR CONDITIONER (DRUM, COOLER REFRIGERANT)
88501AHOSE (FOR COOLER EVAPORATOR)
88501CEVAPOLATOR SUB-ASSY, COOLER
88515AVALVE, COOLER EXPANSION
88625DTHERMISTOR, COOLER
88711HOSE, COOLER REFRIGERANT DISCHARGE, NO.1
88712HOSE, COOLER REFRIGERANT SUCTION, NO.1
RR COOLER
88713HOSE, COOLER REFRIGERANT SUCTION, NO.2
88715APIPE, COOLER REFRIGERANT DISCHARGE, A
88716APIPE, COOLER REFRIGERANT LIQUID, A
88716BPIPE, COOLER REFRIGERANT LIQUID, B
88716EPIPE, COOLER REFRIGERANT LIQUID, E
88892ABRACKET, COOLER EVAPORATOR MOUNTING
8846740030CUSHION, COOLER CONDENSER, NO.1
main88467-40030
8871340040HOSE, COOLER REFRIGERANT SUCTION, NO.2
main88713-40040
8889540040HOLDER, FUSE
main88895-40040
9009932045
main90099-32045
9017505014
main90175-05014
9046112698
main90461-12698
9048036186
main90480-36186
9111140614
main91111-40614
9111140818
main91111-40818
9111141018
main91111-41018
9411040800
main94110-40800
9451100600
main94511-00600
9451100800
main94511-00800
9451101000
main94511-01000
9461110600
main94611-10600
9461110800
main94611-10800
9461310500
main94613-10500
38 parts on this diagram · 4 diagrams in section