HEATING & AIR CONDITIONING - CONTROL & AIR DUCT

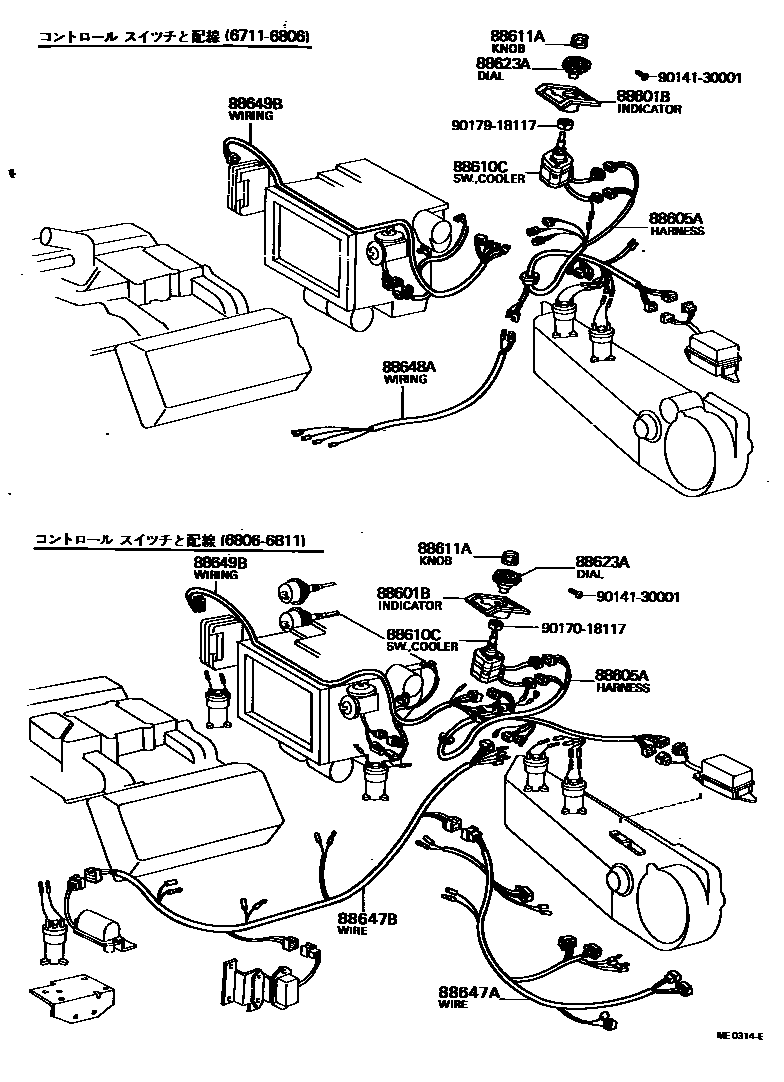
88601BINDICATOR, COOLER CONTROL SWITCH
88605AHARNESS SUB-ASSY, COOLER WIRING
88610CSWITCH ASSY, COOLER CONTROL
88611AKNOB, COOLER CONTROL SWITCH
88623ADIAL, COOLER THERMOSTAT
88647AWIRE SUB-ASSY, COOLER, NO.1
88647BWIRE SUB-ASSY, COOLER, NO.2
88648AWIRING, COOLER
88649BWIRING, COOLER
RR COOLER
RR COOLER
RR COOLER
9014130001
main90141-30001
9017018117
main90170-18117
9017918117
main90179-18117
12 parts on this diagram · 4 diagrams in section