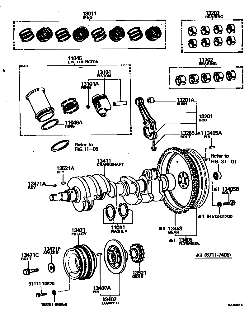
CRANKSHAFT & PISTON

11011WASHER SET, CRANKSHAFT THRUST
STD
O/S 0.125
O/S 0.250
11046CYLINDER LINER & PISTON SET
REGULAR GASOLINE
11046ARING, O(FOR CYLINDER LINER & PISTON SET)
1105CYLINDER BLOCK
11702BEARING SET, CRANKSHAFT
STD
STD
U/S 0.02
U/S 0.25
U/S 0.25
U/S 0.50
U/S 0.50
U/S 1.00
U/S 1.00
13011RING SET, PISTON
STD
STD
O/S 0.50
O/S 0.50
O/S 1.00
O/S 1.00
13101PISTON SUB-ASSY, W/PIN
STD
STD
STD
STD,REGULAR GASOLINE
STD
O/S 0.50
O/S 0.50
O/S 0.50
O/S 0.50,REGULAR GASOLINE
O/S 0.50
O/S 1.00
O/S 1.00
O/S 1.00
O/S 1.00,REGULAR GASOLINE
O/S 1.00
13101ARING, HOLE SNAP(FOR PISTON PIN)
13201ROD SUB-ASSY, CONNECTING
13201ABUSH(FOR CONNECTING ROD SMALL END)
13202BEARING SET, CONNECTING ROD
STD
STD
STD
U/S 0.02
U/S 0.25
U/S 0.25
U/S 0.50
U/S 0.50
U/S 1.00
U/S 1.00
13265BOLT, CONNECTING ROD
13405FLYWHEEL SUB-ASSY
N=115
N=115
13405APIN, STRAIGHT(FOR FLYWHEEL)
13405BBOLT, FLYWHEEL SETTING
13407DAMPER SUB-ASSY, CRANKSHAFT
13407APIN, STRAIGHT(FOR CRANKSHAFT DAMPER)
L=8,OD=6
13411CRANKSHAFT
13453GEAR, FLYWHEEL RING
N=115
13471PULLEY, CRANKSHAFT
13471AKEY, CRANKSHAFT(FOR CRANKSHAFT PULLEY SET)
13471CBOLT(FOR CRANKSHAFT PULLEY SET)
13471PSPACER(FOR CRANKSHAFT PULLEY)
13521GEAR OR SPROCKET, CRANKSHAFT TIMING
N=20
N=20
13521AKEY(FOR CRANKSHAFT TIMING GEAR)
3101CLUTCH & RELEASE FORK
9020108058
main90201-08058
9111170820
main91111-70820
9451201200
main94512-01200
29 parts on this diagram · 1 diagram in section