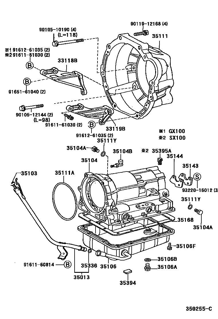
TRANSMISSION CASE & OIL PAN (ATM)

33118BPLATE, STIFFENER, RH(ATM)
33119BPLATE, STIFFENER, LH(ATM)
35013TUBE SUB-ASSY, TRANSMISSION OIL FILLER
35103GAGE SUB-ASSY, TRANSMISSION OIL LEVEL
35104CASE SUB-ASSY, AUTOMATIC TRANSMISSION
35104APLUG, AUTOMATIC TRANSMISSION CASE
35104BPLUG, BREATHER, NO.1 (ATM)
35106PAN SUB-ASSY, AUTOMATIC TRANSMISSION OIL
35106APLUG SUB-ASSY, DRAIN (ATM)
35106BGASKET, DRAIN PLUG (ATM)
35106FBOLT (FOR AUTOMATIC TRANSMISSION OIL PAN)
35111HOUSING, AUTOMATIC TRANSMISSION
35111ARING, O (FOR AUTOMATIC TRANSMISSION HOUSING)
35111YRING, O (FOR AUTOMATIC TRANSMISSION CASE)
35143COVER, TRANSMISSION CASE, REAR
35144GASKET, TRANSMISSION CASE REAR COVER
35168GASKET, AUTOMATIC TRANSMISSION OIL PAN
35336RING, O (FOR TRANSMISSION OIL FILLER TUBE)
35394MAGNET, OIL CLEANER (FOR TRANSMISSION)
35395ASTRAINER, GOVERNOR OIL
9010510190
main90105-10190
9010512144
main90105-12144
9011912168
main90119-12168
9161160814
main91611-60814
9161161030
main91611-61030
9161261035
main91612-61035
9165161040
main91651-61040
9322016012
main93220-16012
28 parts on this diagram · 7 diagrams in section