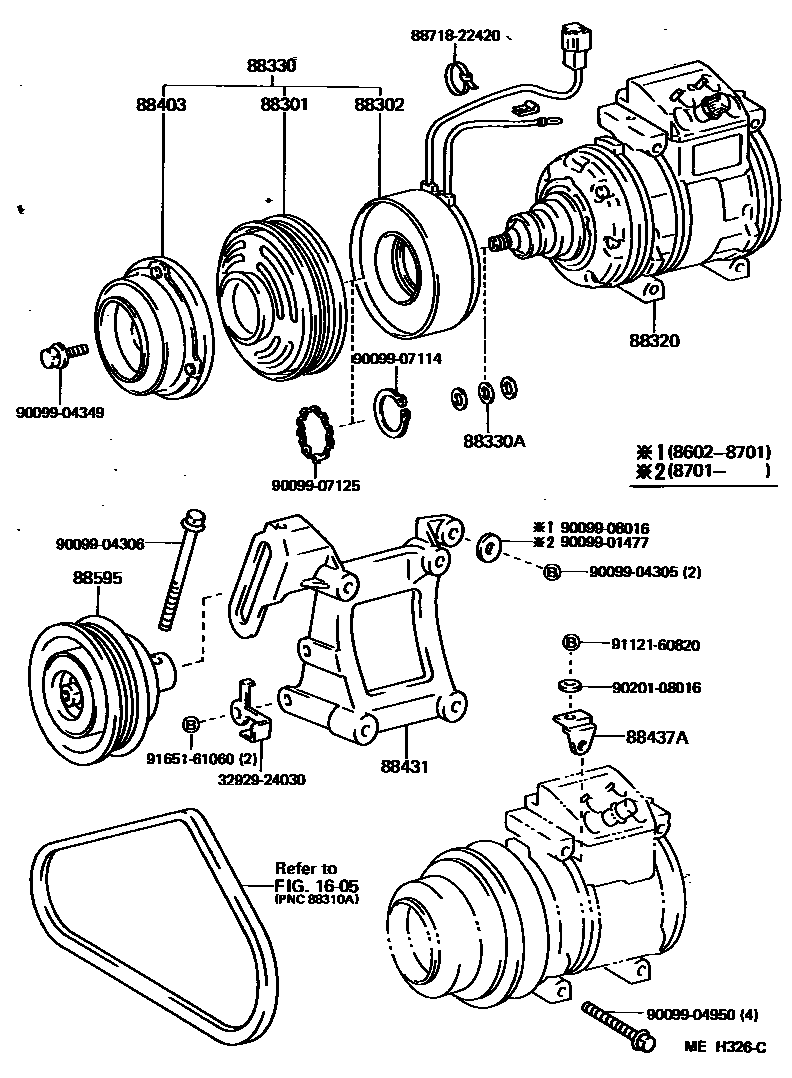
HEATING & AIR CONDITIONING - COMPRESSOR

1605V-BELT
88301ROTOR SUB-ASSY, MAGNET CLUTCH
88302STATOR SUB-ASSY, MAGNET CLUTCH
88320COMPRESSOR ASSY, COOLER
88330CLUTCH ASSY, MAGNET
88330AWASHER (FOR MAGNET CLUTCH)
88403HUB SUB-ASSY, MAGNET CLUTCH
88431BRACKET, COMPRESSOR MOUNTING, NO.1
88437AATTACHMENT, COMPRESSOR
88595PULLEY, COOLER COMPRESSOR IDLE
3292924030CLAMP, FLEXIBLE HOSE, NO.2
main32929-24030
8871822420PIPE, COOLER REFRIGERANT SUCTION, NO.2
main88718-22420
9009901477
main90099-01477
9009904305
main90099-04305
9009904306
main90099-04306
9009904349
main90099-04349
9009904950
main90099-04950
9009907114
main90099-07114
9009907125
main90099-07125
9009908016
main90099-08016
9020108016
main90201-08016
9112160820
main91121-60820
9165161060
main91651-61060
23 parts on this diagram · 3 diagrams in section