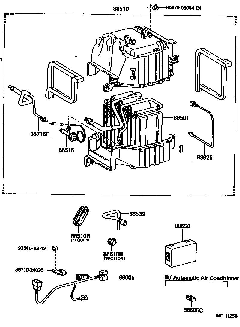
HEATING & AIR CONDITIONING - COOLER UNIT

88501EVAPORATOR SUB-ASSY, COOLER, NO.1
88510UNIT ASSY, COOLER
88510RGROMMET (FOR COOLER UNIT)
LIQUID PIPE
SUCTION PIPE
88515VALVE, COOLER EXPANSION
88539HOSE, COOLER UNIT DRAIN, NO.1
88605HARNESS SUB-ASSY, COOLER WIRING, NO.1
88605CHARNESS SUB-ASSY, COOLER WIRING, NO.2
W/*AAC
88625THERMISTOR, COOLER, NO.1
88650AMPLIFIER ASSY, COOLER STABILIZER
88716FPIPE, COOLER REFRIGERANT LIQUID, F
8871824020PIPE, COOLER REFRIGERANT SUCTION, NO.2
main88718-24020
9017906054
main90179-06054
9354015012
main93540-15012
13 parts on this diagram · 1 diagram in section