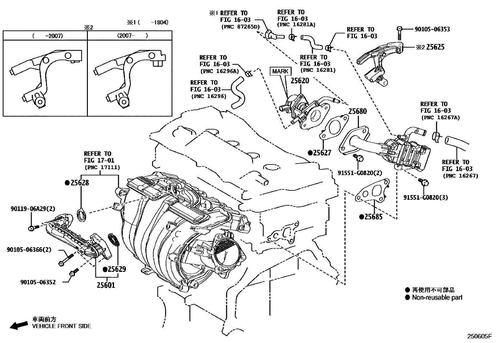
EXHAUST GAS RECIRCULATION SYSTEM

1603RADIATOR & WATER OUTLET
1701MANIFOLD
25601PIPE SUB-ASSY, EGR, NO.1
25620VALVE ASSY, EGR
25625BRACKET, EGR VALVE
25627GASKET, EGR VALVE
25628GASKET, EGR INLET
25629GASKET, EGR VALVE ADAPTER
25680COOLER ASSY, EGR
25685GASKET, EGR COOLER, NO.1
9010506352
main90105-06352
9010506353
main90105-06353
9010506366
main90105-06366
9011906A29
main90119-06A29
91551G0820
main91551-G0820
15 parts on this diagram · 2 diagrams in section