HEATING & AIR CONDITIONING - HEATER UNIT & BLOWER

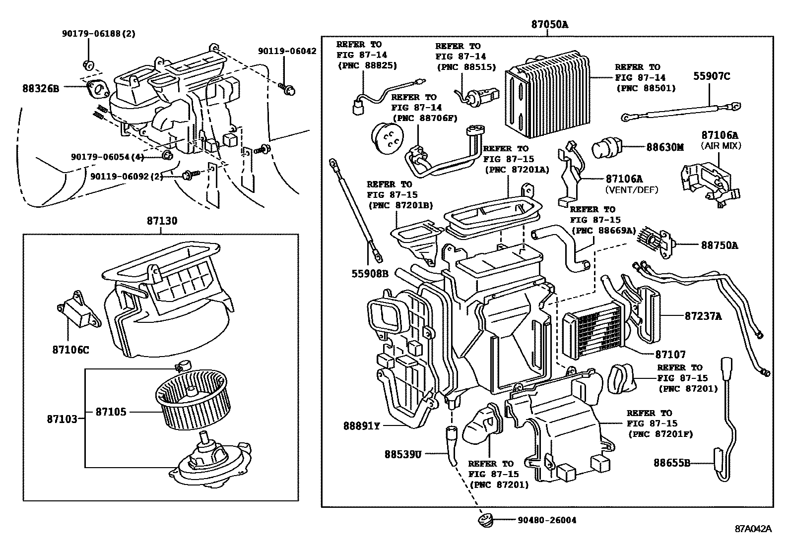
55907CCABLE SUB-ASSY, WATER VALVE CONTROL
55908BCABLE SUB-ASSY, AIR INLET DAMPER CONTROL
87050ARADIATOR ASSY, AIR CONDITIONER
87103MOTOR SUB-ASSY, HEATER BLOWER, W/FAN
87105FAN SUB-ASSY, HEATER BLOWER
87106ASERVO SUB-ASSY, DAMPER
VENT/DEF
87106CSERVO SUB-ASSY, DAMPER(FOR BLOWER)
87107UNIT SUB-ASSY, HEATER RADIATOR
87130BLOWER ASSY, HEATER, FRONT
8714HEATING & AIR CONDITIONING - COOLER UNIT
8715HEATING & AIR CONDITIONING - CONTROL & AIR DUCT
87237ACOVER, HEATER PIPING
88326BPLATE, COVER
88655BSWITCH, WATER TEMPERATURE
88750ATRANSISTOR ASSY, BLOWER RESISTOR
9011906042
main90119-06042
9011906092
main90119-06092
9017906054
main90179-06054
9017906188
main90179-06188
9048026004
main90480-26004
23 parts on this diagram · 1 diagram in section