E
EPC Data

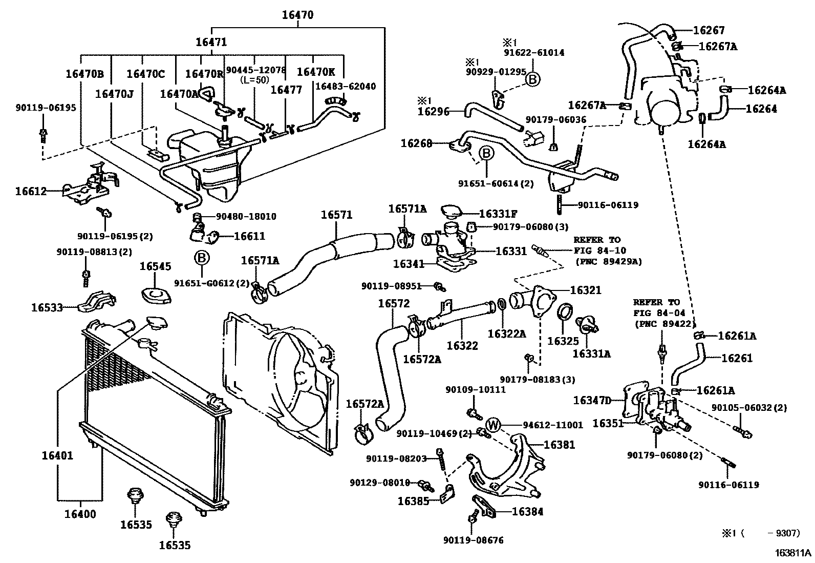
RADIATOR & WATER OUTLET

Parts diagram
16261HOSE, WATER BY-PASS
main16261-62020i199110-199608
main16261-62030i199110-199408
16261ACLAMP OR CLIP, HOSE(FOR WATER BY-PASS HOSE)
main96135-41300×2i199110-199608
16264HOSE, WATER BY-PASS, NO.2
main16264-62030i199110-199608
16264ACLAMP OR CLIP(FOR WATER BY-PASS HOSE NO.2)
main96135-41300×2i199110-199608
16267HOSE, WATER BY-PASS, NO.3
main16267-62031i199110-199608
16267ACLAMP OR CLIP(FOR WATER BY-PASS HOSE NO.3)
main96135-41300×2i199110-199608
16268PIPE, WATER BY-PASS, NO.1
main16268-62030i199110-199608
main16268-62050i199308-199608
16296HOSE, WATER BY-PASS, NO.8
main16296-62010i199110-199307
16321INLET, WATER
main16321-62010i199110-199608
16322PIPE, WATER INLET
main16322-62020i199110-199608
16322ARING, O(FOR WATER INLET)
main96711-35031i199110-199501
main96761-35031i199501-199608
16325GASKET, WATER INLET HOUSING, NO.1
main16325-62010i199110-199608
16331OUTLET, WATER
main16331-62030i199110-199608
16331ATHERMOSTAT
main90916-03075i199110-199608
16331FCAP SUB-ASSY(FOR WATER OUTLET)
main16401-62090i199110-199608
16341GASKET, WATER OUTLET
main16341-62030i199110-199608
16347DGASKET, WATER BY-PASS
main16347-62030i199110-199608
16351OUTLET, WATER BY-PASS
main16351-62050i199110-199608
16381BAR, FAN BELT ADJUSTING
main16381-62020i199110-199207
main16381-62021i199207-199608
main16381-62030i199308-199608
16384BRACKET, FAN BELT ADJUSTING BAR
main16384-62050i199208-199608
16385SLIDER, FAN BELT ADJUSTING
main16385-62010i199110-199608
16400RADIATOR ASSY
main16400-62110i199110-199308
main16400-62160i199308-199608
16401CAP SUB-ASSY, RADIATOR
main16401-62100i199110-199308
16470TANK ASSY, RADIATOR RESERVE
main16470-0A010i199408-199608
SALGA
main16470-20020i199408-199608
*ND
main16470-62040i199110-199308
16470AHOSE OR PIPE(FOR RADIATOR RESERVE TANK)
main16472-03010i199408-199608
SALGA
main90445-12078i199110-199408
16470BCLAMP OR CLIP(FOR RADIATOR RESERVE TANK HOSE)
main90467-11085×6i199110-199308
16470CBRACKET(FOR RADIATOR RESERVE TANK)
main16471-74180i199110-199308
16470JHOSE, NO.3(FOR RADIATOR RESERVE TANK)
main16472-0A020i199408-199608
SALGA
main16479-62040i199110-199308
main90445-12078i199308-199408
16470KHOSE, NO.4(FOR RADIATOR RESERVE TANK)
main16478-62040i199110-199308
main85338-70070i199308-199608
16470RHOSE, NO.2(FOR RADIATOR RESERVE TANK)
main16472-0A010i199408-199608
SALGA
main16477-74180i199110-199408
16471CAP SUB-ASSY, RESERVE TANK
main16405-0A010i199408-199608
SALGA
main16405-20010i199308-199408
main16405-62030i199110-199308
16477PIPE(FOR RADIATOR RESERVE TANK)
main16477-62040i199110-199308
16533SUPPORT, RADIATOR, UPPER
main16533-62020×2i199408-199608
16535SUPPORT, RADIATOR, LOWER
main16535-62030×2i199110-199212
main16535-62031×2i199212-199608
16545COVER, RADIATOR CAP
main16545-62011i199110-199308
16571HOSE, RADIATOR, INLET
main16571-62040i199110-199608
16571ACLAMP OR CLIP, HOSE(FOR RADIATOR INLET)
main90467-37004×2i199110-199608
16572HOSE, RADIATOR, OUTLET
main16572-62030i199110-199608
16572ACLAMP OR CLIP, HOSE(FOR RADIATOR OUTLET NO.1)
main90467-37002×2i199110-199608
16611BRACKET, RADIATOR RESERVE TANK
main16611-74080i199110-199608
16612BRACKET, RADIATOR RESERVE TANK, NO.2
main16612-74010i199110-199308
main16612-74020i199308-199608
8404ELECTRONIC FUEL INJECTION SYSTEM
8410OVERDRIVE & ELECTRONIC CONTROLLED TRANSMISSION
1648362040
9010506032
9010910111
9011606119
9011906195
9011908203
9011908676
9011908813
9011908951
9011910469
9012908010
9017906036
9017906080
9017908183
9044512078
9048018010
9092901295
9162261014
9165160614
91651G0612
9461211001

64 parts on this diagram · 6 diagrams in section

RADIATOR & WATER OUTLET — Toyota Parts Diagram with OEM Numbers & Prices | EPC Data