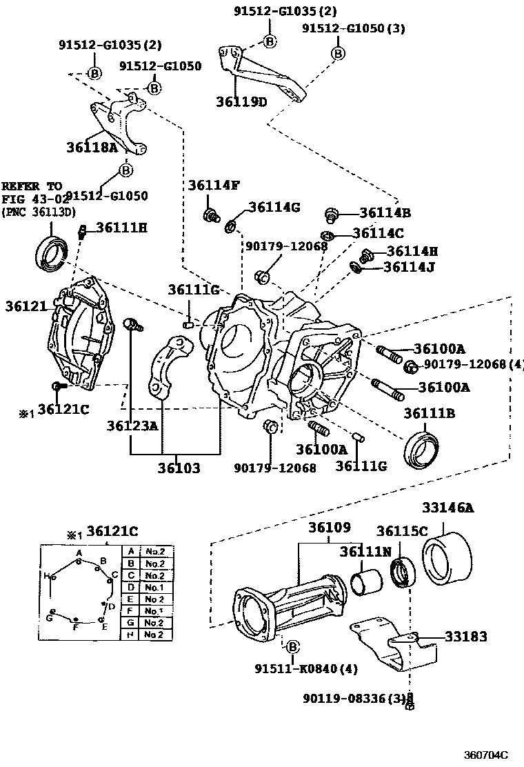
TRANSFER CASE & EXTENSION HOUSING

33146ADEFLECTOR, TRANSFER EXTENSION HOUSING DUST
36100ABOLT, STUD (FOR TRANSFER & TRANSAXLE SETTING)
36103CASE SUB-ASSY, TRANSFER
36109HOUSING SUB-ASSY, TRANSFER EXTENSION
36111BSEAL, OIL (FOR TRANSFER CASE)
36111GPIN, STRAIGHT (FOR TRANSFER CASE)
36111HPLUG, BREATHER (FOR TRANSFER CASE)
36111NBUSH (FOR TRANSFER CASE)
36114BPLUG, NO.1 (FOR TRANSFER CASE)
36114CGASKET, NO.1 (FOR TRANSFER CASE)
36114FPLUG (FOR TRANSFER DRAIN)
36114GGASKET (FOR TRANSFER DRAIN PLUG)
36114HPLUG, NO.2 (FOR TRANSFER CASE)
36114JGASKET, NO.2 (FOR TRANSFER CASE)
36115CSEAL, TYPE T OIL (FOR TRANSFER EXTENSION HOUSING)
36118APLATE, TRANSFER STIFFENER, RH
36119DPLATE, TRANSFER STIFFENER, CENTER
36121COVER, TRANSFER CASE, NO.1
36121CBOLT, WASHER BASED HEAD HEXAGON (FOR TRANSFER CASE COVER)
36123ABOLT, DIFFERENTIAL BEARING CAP
4302FRONT DRIVE SHAFT
9011908336
main90119-08336
9017912068
main90179-12068
91511K0840
main91511-K0840
91512G1035
main91512-G1035
91512G1050
main91512-G1050
27 parts on this diagram · 1 diagram in section