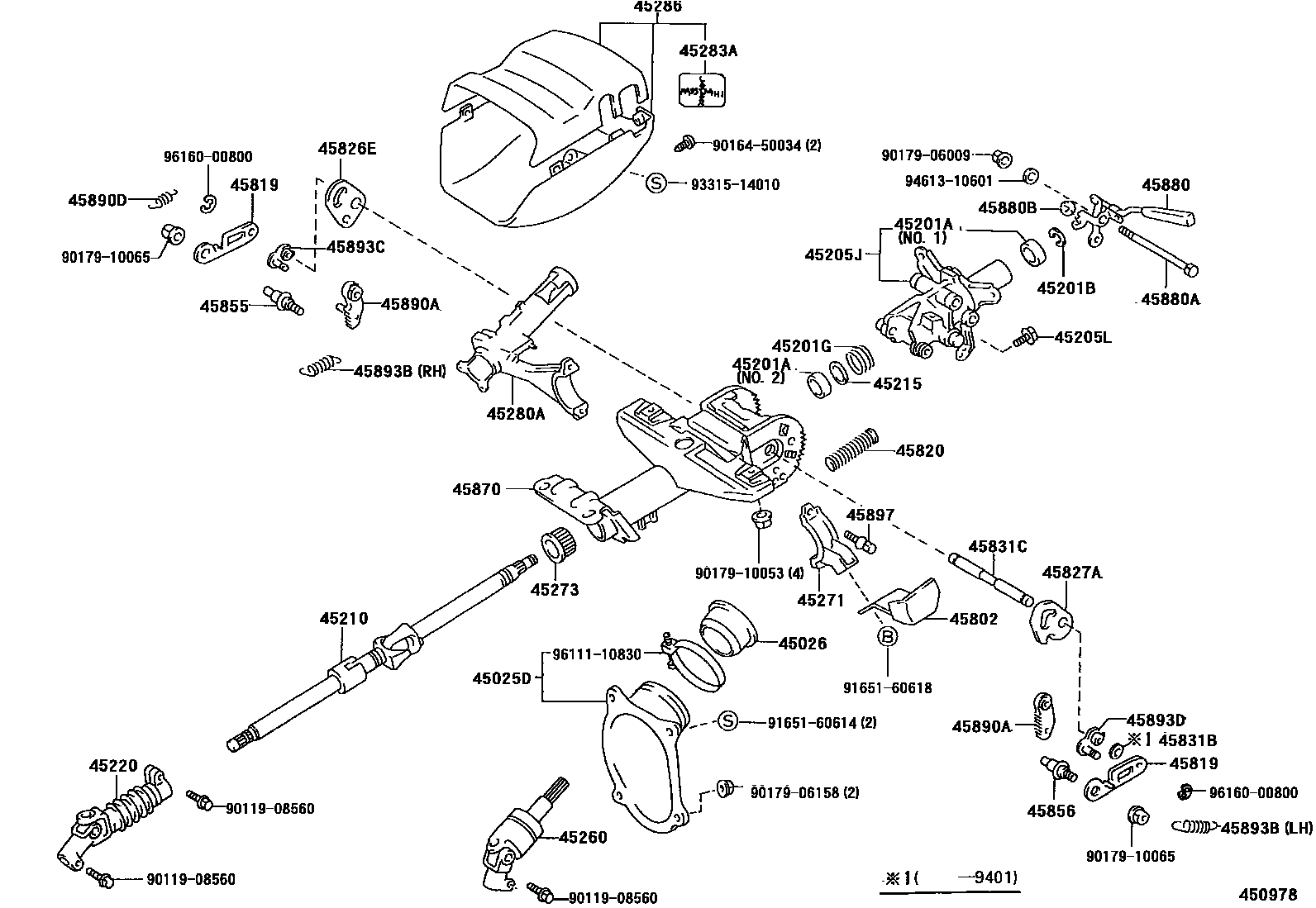
STEERING COLUMN & SHAFT

45025DCOVER SUB-ASSY, STEERING COLUMN HOLE, NO.1
45026COVER SUB-ASSY, STEERING COLUMN HOLE, NO.2
45201BRING, SHAFT SNAP(FOR STEERING MAIN SHAFT)
45201GSPRING, COMPRESSION(FOR STEERING MAIN SHAFT)
45205JTUBE SUB-ASSY, STEERING COLUMN, UPPER
45205LSCREW(FOR STEERING COLUMN TUBE)
45215COLLAR, MAIN SHAFT BEARING THRUST
45220SHAFT ASSY, STEERING INTERMEDIATE
45260SHAFT ASSY, STEERING INTERMEDIATE, NO.2
45271CLAMP, STEERING COLUMN, UPPER
45280ABRACKET ASSY, STEERING COLUMN, UPPER
45283APLATE, BEAM CHANGE & TURN SIGNAL CAUTION
45286COVER, STEERING COLUMN
BLACK,TRIM1#
TAUPE,TRIM9#
BLACK,TRIM1#
45802PROTECTOR SUB-ASSY, STEERING COLUMN, NO.1
45819RETAINER, TILT LEVER
45820SPRING ASSY, TILT STEERING SUPPORT
45826ELEVER, STEERING TILT(FOR TILT ADJUST)
45827ALEVER, STEERING TILT SUB
45831BSPACER(FOR TILT LEVER LOCK SHAFT)
45855BOLT, TILT STEERING, NO.1
45856BOLT, TILT STEERING, NO.2
45870TUBE ASSY, STEERING COLUMN
45880LEVER ASSY, STEERING TILT
45880ABOLT(FOR STEERING TILT LEVER)
45890DSPRING, TENSION(FOR TILT STEERING PAWL ASSY)
45893BSPRING, TENSION(FOR TILT STEERING PAWL STOPPER)
45893CSTOPPER, STEERING PAWL, RH
45893DSTOPPER, STEERING PAWL, LH
45897BOLT, STEERING LOCK SET
9011908560
main90119-08560
9016450034
main90164-50034
9017906009
main90179-06009
9017906158
main90179-06158
9017910053
main90179-10053
9017910065
main90179-10065
9165160614
main91651-60614
9165160618
main91651-60618
9331514010
main93315-14010
9461310601
main94613-10601
9611110830
main96111-10830
9616000800
main96160-00800
47 parts on this diagram · 1 diagram in section