E
EPC Data

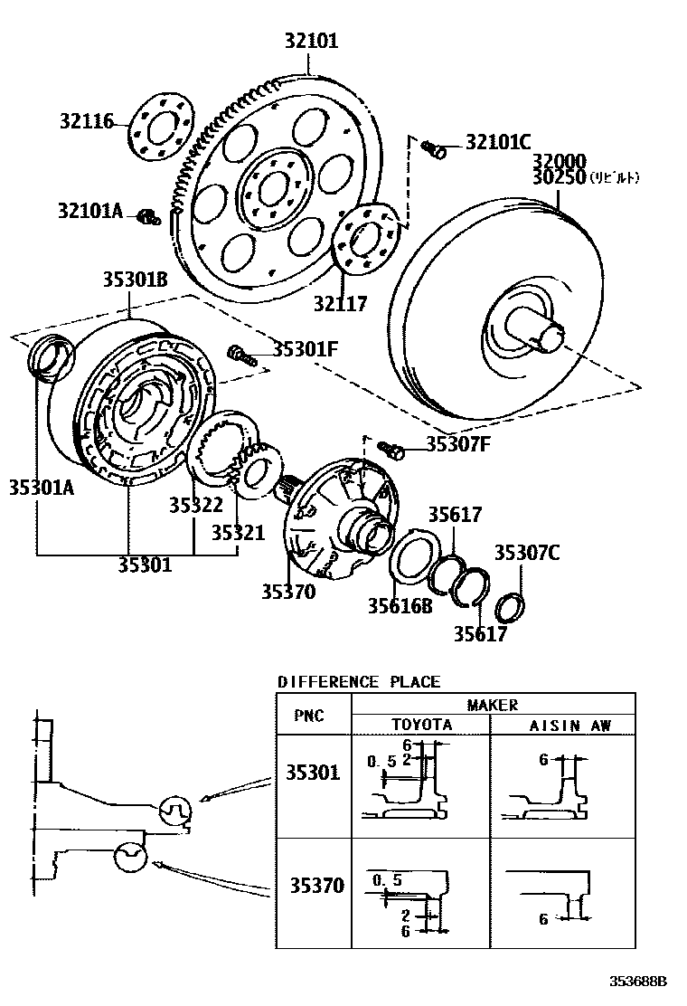
TORQUE CONVERTER, FRONT OIL PUMP & CHAIN (ATM)

Parts diagram
30250CONVERTER ASSY, TORQUE, REBUILT
main30250-20180i198909-199309
main30250-20190i198909-199309
main30250-20200i198909-199309
32000CONVERTER ASSY, TORQUE
main32000-20180i198909-199309
main32000-20190i198909-199309
main32000-20200i198909-199309
32101GEAR SUB-ASSY, DRIVE PLATE & RING
main32101-20080i198909-198911
main32101-20081i198911-199309
main32101-32050i198909-199309
32101ABOLT(FOR DRIVE PLATE & TORQUE CONVERTER SETTING)
main90109-08113i198909-199309
main90119-08498×5i198909-199309
32101CBOLT, HEXAGON(FOR DRIVE PLATE SETTING)
main90105-12184×8i198909-199309
main90109-10054×8i198909-199309
32116SPACER, DRIVE PLATE, FRONT
main32116-20040i198909-198911
main32116-20050i198911-199309
main32116-32011i198909-199309
32117SPACER, DRIVE PLATE, REAR
main32117-20050i198909-198911
main32117-20060i198911-199309
main32117-32010i198909-199309
35301BODY SUB-ASSY, FRONT OIL PUMP
main35035-32010i198909-199309
main35035-32020i198909-199309
35301ASEAL, OIL (FOR FRONT OIL PUMP)
main90311-38020i198909-199309
35301BRING, O (FOR FRONT OIL PUMP BODY)
main90301-99024i198909-199309
35301FBOLT (FOR FRONT OIL PUMP SETTING)
main90105-08050×7i198909-199309
35307CRACE, THRUST BEARING (FOR STATOR SHAFT)
main35789-32020i198909-199309
main35789-32030i198909-199309
35307FBOLT (FOR STATOR SHAFT)
main90119-06180×11i198909-199309
35321GEAR, FRONT OIL PUMP DRIVE
main35321-12070i199108-199309
main35321-12090i199108-199309
main35321-32040i198909-199309
main35321-32050i198909-199108
main35321-32060i198909-199108
35322GEAR, FRONT OIL PUMP DRIVEN
main35322-12060i199108-199309
main35322-12070i199108-199309
main35322-12080i199108-199309
main35322-32040i198909-199108
main35322-32050i198909-199108
main35322-32060i198909-199108
35370SHAFT ASSY, STATOR
main35370-12040i199005-199309
main35370-32022i198909-199005
main35370-32031i198909-199005
main35370-32050i199005-199309
35616BWASHER, CLUTCH DRUM THRUST (FOR STATOR SHAFT)
main35616-32010i198909-199309
35617RING, CLUTCH DRUM OIL SEAL
main35617-32011×2i198909-199309

18 parts on this diagram · 1 diagram in section

TORQUE CONVERTER, FRONT OIL PUMP & CHAIN (ATM) — Toyota Parts Diagram with OEM Numbers & Prices | EPC Data