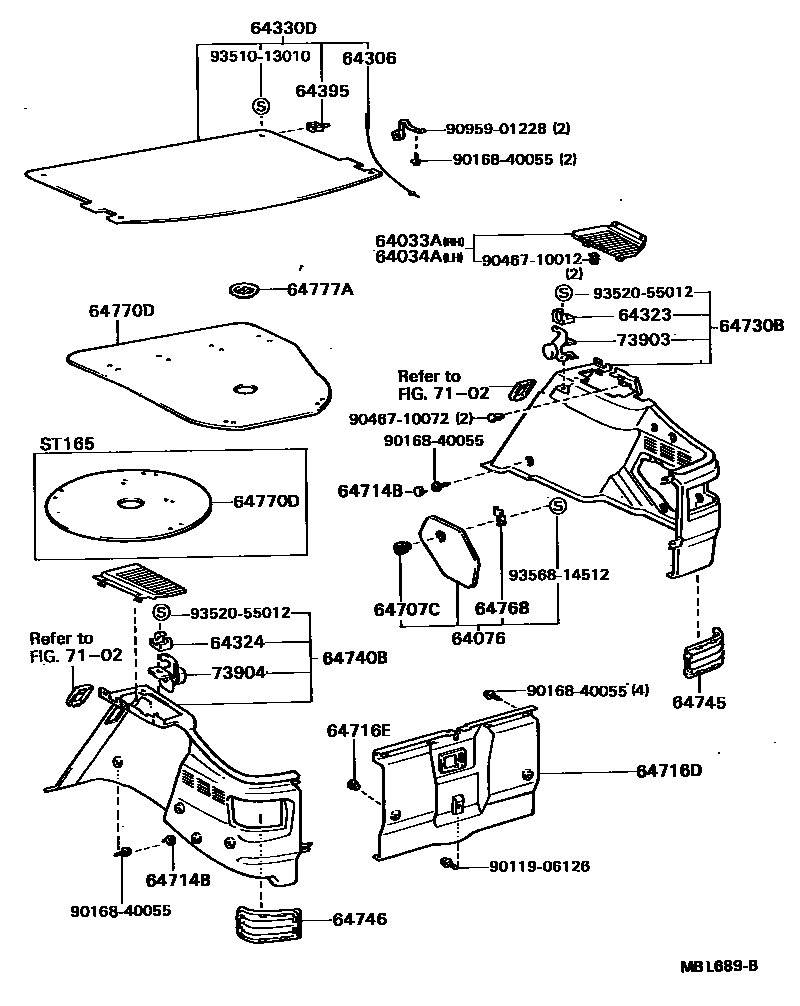
DECK BOARD & DECK TRIM COVER

64033AGRILLE SUB-ASSY, REAR SPEAKER, RH
BLACK,TRIM2#
DEEP BLUE,TRIM8#
64034AGRILLE SUB-ASSY, REAR SPEAKER, LH
BLACK,TRIM2#
DEEP BLUE,TRIM8#
64076COVER, DECK TRIM SIDE JACK
BLACK,TRIM2#
DEEP BLUE,TRIM8#
BLACK,TRIM2#
64306SUSPENDER SUB-ASSY, PACKAGE TRAY TRIM
64323CLAMP, PACKAGE TRAY TRIM, NO.1
64324CLAMP, PACKAGE TRAY TRIM, NO.2
64330DPANEL ASSY, PACKAGE TRAY TRIM
BLACK,TRIM2#
DEEP BLUE,TRIM8#
64395PIN, PACKAGE TRAY TRIM HINGE
64707CKNOB, JACK COVER
BLACK,TRIM2#
DEEP BLUE,TRIM8#
64714BPLUG, HOLE(FOR DECK TRIM SIDE COVER)
BLACK,TRIM2#
BLUE,TRIM8#
64716DCOVER, DECK TRIM, REAR
BLACK,TRIM2#
DEEP BLUE,TRIM8#
BLACK,TRIM2#
64716ECLIP(FOR DECK TRIM REAR COVER)
DEEP BLUE,TRIM8#
BLACK,TRIM2#
64730BPANEL ASSY, DECK TRIM SIDE, RH
BLACK,TRIM2#
DEEP BLUE,TRIM8#
BRACK,TRIM2#
64740BBOARD, DECK TRIM SIDE, LH
BLACK,TRIM2#
DEEP BLUE,TRIM8#
BLACK,TRIM2#
64745COVER, REAR COMBINATION LAMP SERVICE, RH
BLACK,TRIM2#
DEEP BLUE,TRIM8#
64746COVER, REAR COMBINATION LAMP SERVICE, LH
BLACK,TRIM2#
DEEP BLUE,TRIM8#
64768STOPPER, JACK COVER
64770DCOVER ASSY, SPARE WHEEL
64777ACLAMP, SPARE WHEEL COVER
7102REAR SEAT & SEAT TRACK
73903BRACKET SUB-ASSY, REAR SHELF, RH
73904BRACKET SUB-ASSY, REAR SHELF, LH
9011906126
main90119-06126
9016840055
main90168-40055
9046710012
main90467-10012
9046710072
main90467-10072
9095901228
main90959-01228
9351013010
main93510-13010
9352055012
main93520-55012
9356814512
main93568-14512
30 parts on this diagram · 1 diagram in section