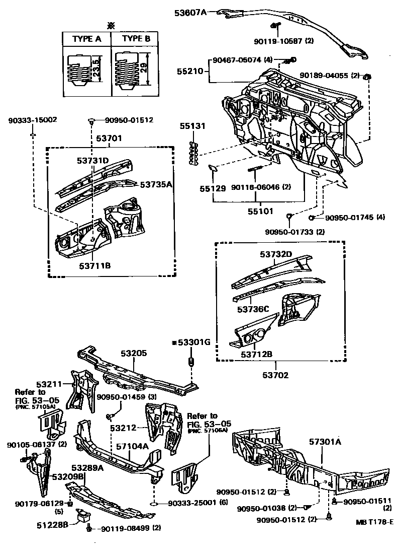
FRONT FENDER APRON & DASH PANEL

51228BWEIGHT, FRONT SUSPENSION MEMBER DUMPER, LH
5305FLOOR SIDE MEMBER
53205SUPPORT SUB-ASSY, RADIATOR, UPPER
53209BBRACE SUB-ASSY, HOOD LOCK SUPPORT
53211SUPPORT, RADIATOR, RH
53212SUPPORT, RADIATOR, LH
53289ACOVER, RADIATOR SUPPORT OPENING
53607ABRACE SUB-ASSY, FRONT SUSPENSION, UPPER CENTER
53701APRON SUB-ASSY, FRONT FENDER, RH
53702APRON SUB-ASSY, FRONT FENDER, LH
53711BAPRON, FRONT FENDER, FRONT RH
53712BAPRON, FRONT FENDER, FRONT LH
53731DMEMBER, FRONT APRON TO COWL SIDE, UPPER RH
53732DMEMBER, FRONT APRON TO COWL SIDE, UPPER LH
53735AMEMBER, FRONT APRON TO COWL SIDE, LOWER RH
53736CMEMBER, FRONT APRON TO COWL SIDE, LOWER LH
55101PANEL SUB-ASSY, DASH
55129COVER, DASH PANEL HOLE
55131REINFORCEMENT, DASH PANEL
55210INSULATOR ASSY, DASH PANEL
57104AMEMBER SUB-ASSY, FRONT CROSS
57301AMEMBER SUB-ASSY, STEERING GEAR BOX SUPPORT
9010506137
main90105-06137
9011606046
main90116-06046
9011908499
main90119-08499
9011910587
main90119-10587
9017906129
main90179-06129
9018904055
main90189-04055
9033315002
main90333-15002
9033325001
main90333-25001
9046705074
main90467-05074
9095001038
main90950-01038
9095001459
main90950-01459
9095001511
main90950-01511
9095001512
main90950-01512
9095001733
main90950-01733
9095001745
main90950-01745
38 parts on this diagram · 1 diagram in section