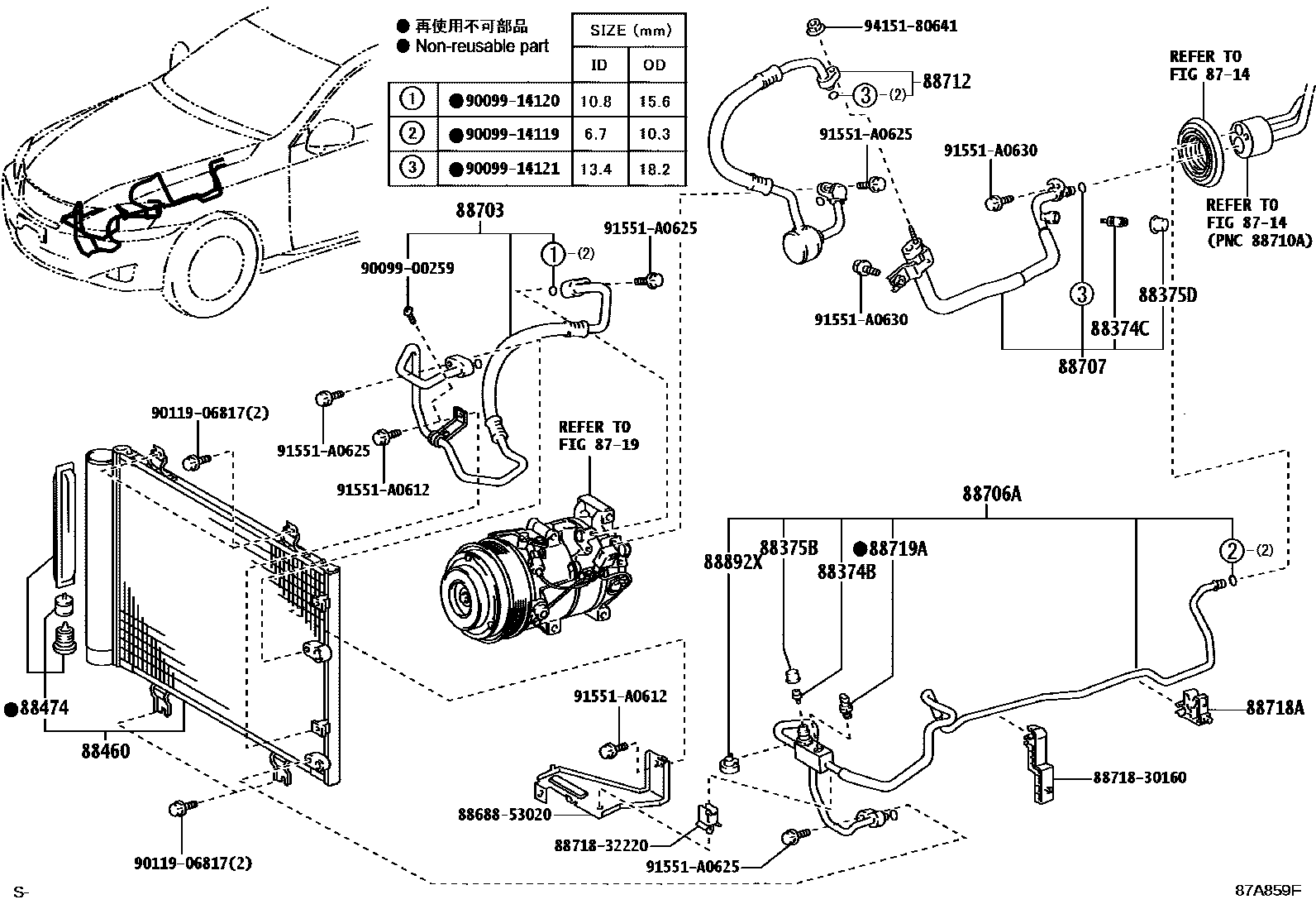
HEATING & AIR CONDITIONING - COOLER PIPING

8714HEATING & AIR CONDITIONING - COOLER UNIT
8719HEATING & AIR CONDITIONING - COMPRESSOR
88374BVALVE, SERVICE, NO.1
88374CVALVE, SERVICE, NO.2
88375BCAP, SERVICE VALVE, NO.1
88375DCAP, SERVICE VALVE, NO.2
88460CONDENSER ASSY, COOLER
88474DRYER, COOLER
88703HOSE SUB-ASSY, DISCHARGE
88707PIPE SUB-ASSY, SUCTION
88712HOSE, COOLER REFRIGERANT SUCTION, NO.1
88718ACLAMP, NO.1(FOR COOLER REFRIGERANT PIPE)
88719ASENSOR, AIR CONDITIONER PRESSURE
88892XCOVER, COOLER, NO.2
8868853020BRACKET, COOLER DIAPHRAGM
main88688-53020
8871830160PIPE, COOLER REFRIGERANT SUCTION, NO.2
main88718-30160
8871832220PIPE, COOLER REFRIGERANT SUCTION, NO.2
main88718-32220
9009900259
main90099-00259
9009914119
main90099-14119
9009914120
main90099-14120
9009914121
main90099-14121
9011906817
main90119-06817
91551A0612
main91551-A0612
91551A0625
main91551-A0625
91551A0630
main91551-A0630
9415180641
main94151-80641
27 parts on this diagram · 1 diagram in section