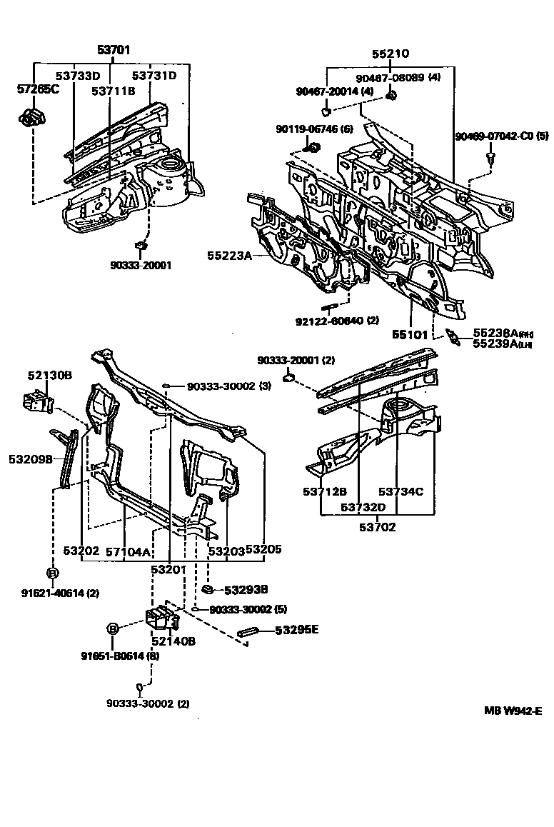
FRONT FENDER APRON & DASH PANEL

52130BBRACKET ASSY, FRONT BUMPER SIDE MOUNTING, RH
52140BBRACKET ASSY, FRONT BUMPER SIDE MOUNTING, LH
53201SUPPORT SUB-ASSY, RADIATOR
53202SUPPORT SUB-ASSY, RADIATOR, RH
53203SUPPORT SUB-ASSY, RADIATOR, LH
53205SUPPORT SUB-ASSY, RADIATOR, UPPER
53209BBRACE SUB-ASSY, HOOD LOCK SUPPORT
53293BSEAL, RADIATOR SUPPORT SERVICE HOLE
53295ESEAL, COOL AIR INTAKE DUCT
53701APRON SUB-ASSY, FRONT FENDER, RH
53702APRON SUB-ASSY, FRONT FENDER, LH
53711BAPRON, FRONT FENDER, FRONT RH
53712BAPRON, FRONT FENDER, FRONT LH
53731DMEMBER, FRONT APRON TO COWL SIDE, UPPER RH
53732DMEMBER, FRONT APRON TO COWL SIDE, UPPER LH
53733DMEMBER, FRONT APRON TO COWL SIDE, LOWER FRONT RH
53734CMEMBER, FRONT APRON TO COWL SIDE, LOWER FRONT LH
55101PANEL SUB-ASSY, DASH
55210INSULATOR ASSY, DASH PANEL
55223AINSULATOR, DASH PANEL, OUTER
55238APLATE, DASH PANEL INSULATOR, NO.2
55239APLATE, DASH PANEL INSULATOR, NO.3
57104AMEMBER SUB-ASSY, FRONT CROSS
57265CBRACKET, ENGINE MOUNTING, RH
9011906746
main90119-06746
9033320001
main90333-20001
9033330002
main90333-30002
9046708089
main90467-08089
9046720014
main90467-20014
9046907042C0
main90469-07042C0
9162140614
main91621-40614
91651B0614
main91651-B0614
9212260640
main92122-60640
33 parts on this diagram · 1 diagram in section