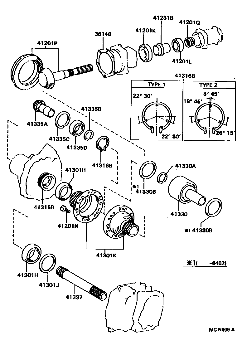
TRANSFER GEAR

36148SHIM, PINION BEARING CAGE
41201KBEARING (FOR TRANSFER DRIVEN PINION FRONT)
41201LBEARING (FOR TRANSFER DRIVEN PINION REAR)
41201NBOLT (FOR TRANSFER GEAR )
41201PGEAR KIT, TRANSFER
41201QNUT (FOR TRANSFER GEAR)
41231BSPACER, TRANSFER PINION BEARING
41301HBEARING(FOR RING GEAR MOUNTING CASE)
41301JWASHER, PLATE(FOR RING GEAR MOUNTING CASE)
41301KCASE SUB-ASSY, CENTER DIFFERENTIAL RING GEAR MOUNTING
41315BNUT, BEARING ADJUSTING
41316BPLATE, ADJUSTING NUT LOCK
41330COUPLING ASSY, CENTER DIFFERENTIAL CONTROL
41330ARING, HOLE SNAP (FOR DIFFERENTIAL INTERMEDIATE SHAFT)
41330BWASHER (FOR CENTER DIFFERENTIAL CONTROL COUPLING)
41335AHOLDER, DIFFERENTIAL SIDE GEAR SHAFT
41335BRING, SHAFT SNAP (FOR SIDE GEAR SHAFT HOLDER)
41335CRING, HOLE SNAP (FOR SIDE GEAR SHAFT HOLDER)
41335DBEARING (FOR SIDE GEAR SHAFT HOLDER)
41337SHAFT, DIFFERENTIAL SIDE GEAR INTERMEDIATE, NO.2
20 parts on this diagram · 2 diagrams in section