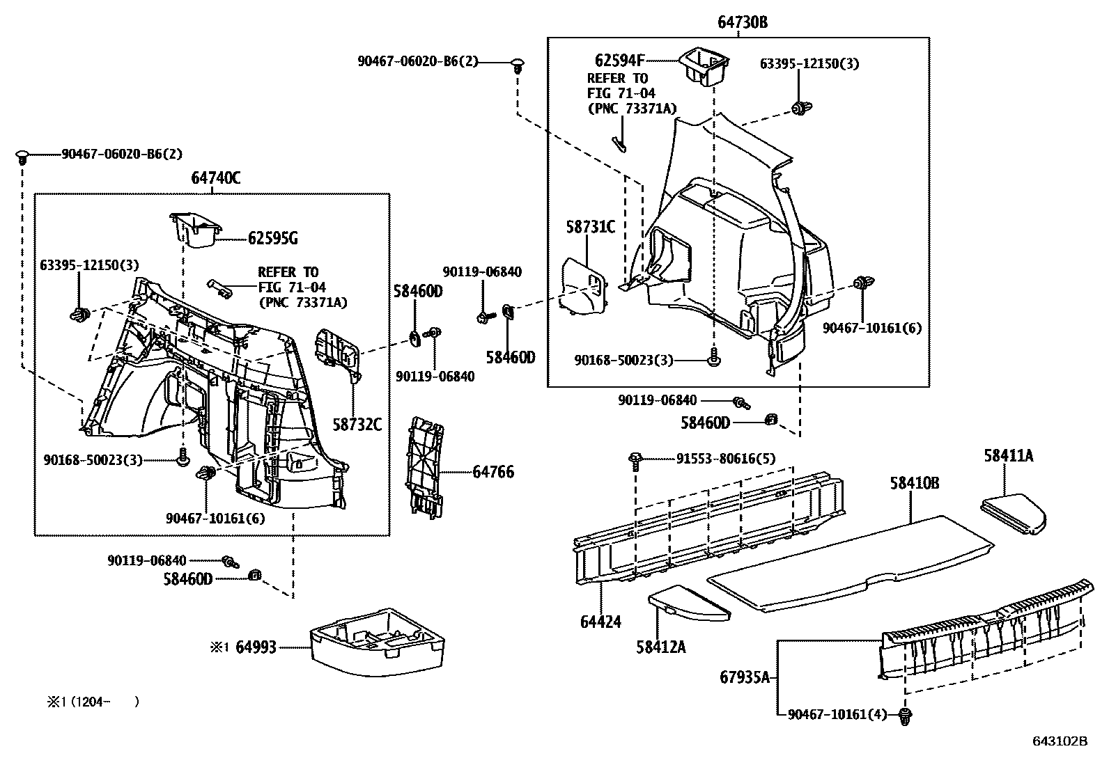
DECK BOARD & DECK TRIM COVER

58410BBOARD ASSY, DECK
DARK GRAY,TRIM1#; DARK GRAY,TRIM1#,42
GREGE,TRIM4#; GREGE,TRIM42
58411ABOARD, DECK, NO.1
DARK GRAY,TRIM1#; DARK GRAY,TRIM1#,42
GREGE,TRIM4#; GREGE,TRIM42
58412ABOARD, DECK, NO.2
DARK GRAY,TRIM1#; DARK GRAY,TRIM1#,42
GREGE,TRIM4#
58460DSTRIKER ASSY, LUGGAGE HOLD BELT
58731CCAP, REAR ABSORBER
DK.GRAY,TRIM1#; DK.GRAY,TRIM1#,4#; DK.GRAY,TRIM4#
58732CCAP, REAR ABSORBER
DK.GRAY,TRIM1#; DK.GRAY,TRIM1#,4#; DK.GRAY,TRIM4#
62594FPOCKET, QUARTER TRIM, RH
DK.GRAY,TRIM1#; DK.GRAY,TRIM1#,4#; DK.GRAY,TRIM4#
62595GPOCKET, QUARTER TRIM, LH
DK.GRAY,TRIM1#; DK.GRAY,TRIM1#,4#; DK.GRAY,TRIM4#
64424SEPARATOR, LUGGAGE ROOM BOX
64730BPANEL ASSY, DECK TRIM SIDE, RH
DK.GRAY,TRIM4#
DK.GRAY,TRIM1#
DK.GRAY,TRIM1#
DK.GRAY,TRIM4#
64740CPANEL ASSY, DECK TRIM SIDE, LH
DK.GRAY,TRIM4#
DK.GRAY,TRIM1#
64766COVER SUB-ASSY, QUARTER TRIM JACK
DK.GRAY,TRIM1#; DK.GRAY,TRIM1#,4#; DK.GRAY,TRIM4#
64993BOX, DECK FLOOR, REAR
67935APLATE, BACK DOOR SCUFF
DK.GRAY,TRIM1#; DK.GRAY,TRIM1#,4#; DK.GRAY,TRIM4#
7104SEAT BELT & CHILD RESTRAINT SEAT
6339512150CLIP, ROOF HEADLINING TRIM
main63395-12150
9011906840
main90119-06840
9016850023
main90168-50023
9046706020B6
main90467-06020B6
9046710161
main90467-10161
9155380616
main91553-80616
21 parts on this diagram · 2 diagrams in section