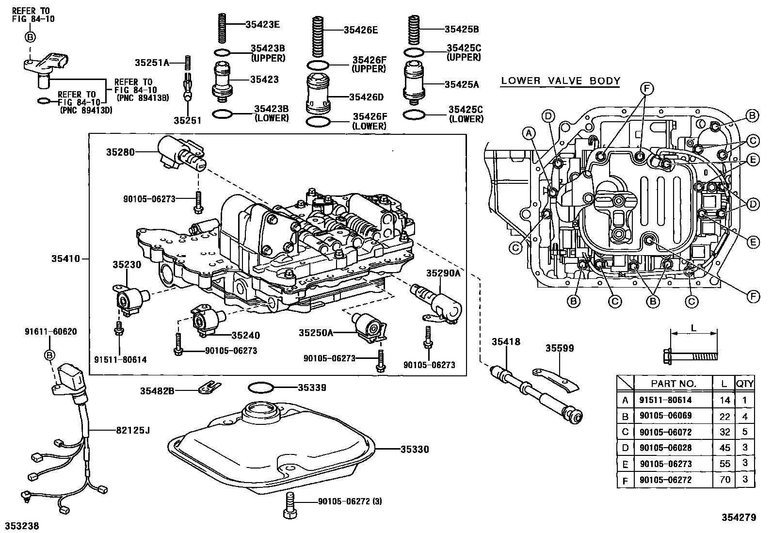
VALVE BODY & OIL STRAINER (ATM)

35230SOLENOID ASSY, TRANSMISSION 3WAY, NO.2
35240SOLENOID ASSY, AUTOMATIC TRANSMISSION 3WAY
35250ASOLENOID ASSY, TRANSMISSION, NO.3
35251BODY, CHECK BALL
35251ASPRING, COMPRESSION (FOR CHECK BALL BODY)
35280SOLENOID ASSY, LOCK UP CONTROL
35290ASOLENOID ASSY, LINE PRESSURE CONTROL
35330STRAINER ASSY, VALVE BODY OIL
35339GASKET, OIL STRAINER
35410BODY ASSY, TRANSMISSION VALVE
35418VALVE, MANUAL
35423PISTON, B-2 ACCUMULATOR
35423BRING, O (FOR B-2 ACCUMULATOR PISTON)
35423ESPRING, COMPRESSION (FOR B-2 ACCMULATOR PISTON)
35425APISTON, C-2 ACCUMULATOR
35425BSPRING, COMPRESSION (FOR C-2 ACCUMULATOR PISTON)
35425CRING, O (FOR C-2 ACCUMULATOR PISTON)
35426DPISTON, C-3 ACCUMULATOR
35426ESPRING, COMPRESSION (FOR C-3 ACCUMULATOR PISTON)
35426FRING, O (FOR C-3 ACCUMULATOR PISTON)
35482BCLAMP, TEMPERATURE SENSOR
35599COVER, MANUAL DETENT SPRING
82125JWIRE, TRANSMISSION
8410OVERDRIVE & ELECTRONIC CONTROLLED TRANSMISSION
9010506028
main90105-06028
9010506069
main90105-06069
9010506072
main90105-06072
9010506272
main90105-06272
9010506273
main90105-06273
9151180614
main91511-80614
9161160620
main91611-60620
31 parts on this diagram · 1 diagram in section