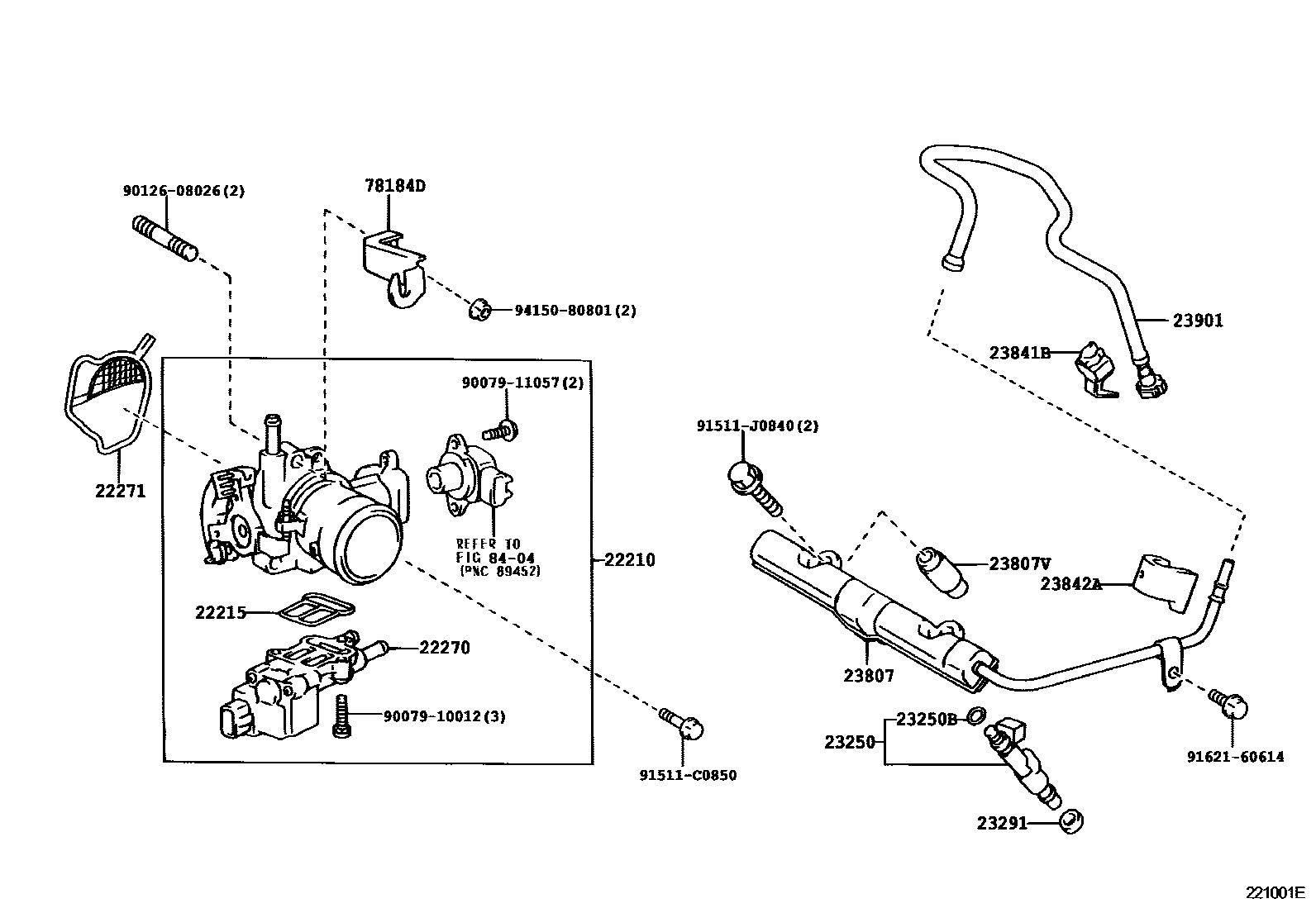
FUEL INJECTION SYSTEM

22210BODY ASSY, THROTTLE
22215GASKET, THROTTLE BODY COVER
22270VALVE ASSY, IDLE SPEED CONTROL(FOR THLOTTLE BODY)
22271GASKET, THROTTLE BODY
23250INJECTOR ASSY, FUEL
23250BRING, O(FOR FUEL INJECTOR)
23291INSULATOR, INJECTOR VIBRATION
23807PIPE SUB-ASSY, FUEL DELIVERY
23807VSPACER, NO.1(FOR DELIVERY PIPE)
23841BCLAMP, FUEL PIPE, NO.1(FOR EFI)
23842ACLAMP, FUEL PIPE, NO.2(FOR EFI)
23901TUBE SUB-ASSY, FUEL
78184DBRACKET, ACCELERATOR CONTROL CABLE
8404ELECTRONIC FUEL INJECTION SYSTEM
9007910012
main90079-10012
9007911057
main90079-11057
9012608026
main90126-08026
91511C0850
main91511-C0850
91511J0840
main91511-J0840
9162160614
main91621-60614
9415080801
main94150-80801
21 parts on this diagram · 4 diagrams in section