E
EPC Data

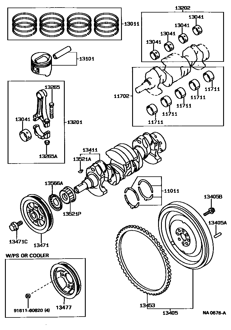
CRANKSHAFT & PISTON

Parts diagram
11011WASHER SET, CRANKSHAFT THRUST
main11011-10010i198805-199009
main11011-11010i198808-199009
main11011-11020i198805-198808
main11011-22011i198805-199009
main11012-10010i198805-198808
main11012-10020i198808-199009
main11012-11010i198808-199009
main11012-11020i198805-198808
main11012-22011i198805-199009
main11013-22011i198805-199009
11702BEARING SET, CRANKSHAFT
main11704-10010i198805-198912
main11704-10011i198912-199009
main11704-11010i198805-198912
main11704-11011i198912-199009
main11704-55020i198808-199009
main11705-55020i198808-199009
11711BEARING, CRANKSHAFT
main11701-10010-01i198805-198912
MARK 1
main11701-10010-02i198805-198912
MARK 2
main11701-10010-03i198805-198912
MARK 3
main11701-10011-01i198912-199009
MARK 1
main11701-10011-02i198912-199009
MARK 2
main11701-10011-03i198912-199009
MARK 3
main11701-11010-01i198805-198912
MARK 1
main11701-11010-02i198805-198912
MARK 2
main11701-11010-03i198805-198912
MARK 3
main11701-11010-04i198805-198912
MARK 4
main11701-11010-05i198805-198912
MARK 5
main11701-11011-01i198912-199009
MARK 1
main11701-11011-02i198912-199009
MARK 2
main11701-11011-03i198912-199009
MARK 3
main11701-11011-04i198912-199009
MARK 4
main11701-11011-05i198912-199009
MARK 5
main11701-55020-01i198805-199009
MARK 1
main11701-55020-02i198805-199009
MARK 2
main11701-55020-03i198805-199009
MARK 3
13011RING SET, PISTON
main13011-11041i198805-199009
main13011-11090i198805-199009
main13011-11110i198805-199009
main13011-55010i198805-199004
main13011-55011i199004-199009
main13013-11041i198805-199009
main13013-11090i198805-199009
main13013-11110i198805-199009
main13013-55010i198805-199004
main13013-55011i199004-199009
13041BEARING, CONNECTING ROD
main13041-10020-01i198805-199009
MARK 1
main13041-10020-02i198805-199009
MARK 2
main13041-10020-03i198805-199009
MARK 3
main13041-11010-01i198808-199009
MARK 1
main13041-11010-02i198808-199009
MARK 2
main13041-11010-03i198808-199009
MARK 3
main13041-11020-01i198805-198808
MARK 1
main13041-11020-02i198805-198808
MARK 2
main13041-11020-03i198805-198808
MARK 3
main13041-55020-01i198805-199009
MARK 1
main13041-55020-02i198805-199009
MARK 2
main13041-55020-03i198805-199009
MARK 3
13101PISTON SUB-ASSY, W/PIN
main13101-11030-01i198805-198911
main13101-11030-02i198805-198911
main13101-11030-03i198805-198911
main13101-11031-01i198911-199009
main13101-11031-02i198911-199009
main13101-11031-03i198911-199009
main13101-11040-01i198805-198911
main13101-11040-02i198805-198911
main13101-11040-03i198805-198911
main13101-11041-01i198911-199009
main13101-11041-02i198911-199009
main13101-11041-03i198911-199009
main13101-11060-01i198805-198911
main13101-11060-02i198805-198911
main13101-11060-03i198805-198911
main13101-11061-01i198911-199009
main13101-11061-02i198911-199009
main13101-11061-03i198911-199009
main13101-11080-01i198805-198911
main13101-11080-02i198805-198911
main13101-11080-03i198805-198911
main13101-11081-01i198911-199009
main13101-11081-02i198911-199009
main13101-11081-03i198911-199009
main13101-55010-01i198805-199008
main13101-55010-02i198805-199008
main13101-55010-03i198805-199008
main13101-55031-01i199008-199009
main13101-55031-02i199008-199009
main13101-55031-03i199008-199009
main13103-11030i198805-198911
main13103-11031i198911-199009
main13103-11041i198911-199009
main13103-11061i198911-199009
main13103-11080i198805-198911
main13103-11081i198911-199009
main13103-55010i198805-199008
13201ROD SUB-ASSY, CONNECTING
main13201-19075i198805-199009
main13201-19085i198805-199004
main13201-19087i199004-199009
main13201-59075i198805-199009
13202BEARING SET, CONNECTING ROD
main13204-10020i198805-199009
main13204-11010i198808-199009
main13204-11020i198805-198808
13265BOLT, CONNECTING ROD
main13265-10020i198805-199009
main13265-10021i199004-199009
main13265-55011i198805-199009
13265ANUT, HEXAGON(FOR CONNECTING ROD BOLT)
main90179-08014i198805-199009
main90179-08118i198805-199009
13405FLYWHEEL SUB-ASSY
main13405-11030i198805-198901
main13405-11031i198901-199009
main13405-11040i198805-198901
main13405-11041i198901-199009
main13405-11050i198805-198901
main13405-11051i198901-199009
main13405-55010i198805-199009
13405APIN, STRAIGHT(FOR FLYWHEEL)
main90250-08120i198805-199009
13405BBOLT, FLYWHEEL SETTING
main90105-10071i198805-199009
main90105-10138i198805-199009
13411CRANKSHAFT
main13401-11020i198805-198910
main13401-11040i198805-199009
main13401-11050i198910-199009
main13411-55900i198805-199009
13453GEAR, FLYWHEEL RING
main13453-10030i198805-199009
main13453-55010i198805-199009
13471PULLEY, CRANKSHAFT
main13408-11012i198805-199009
main13408-55010i198805-199009
13471CBOLT(FOR CRANKSHAFT PULLEY SET)
main90105-12051i198805-199009
main90105-12060i198805-199009
13477PULLEY, CRANKSHAFT, NO.2
main44319-16020i198805-199009
13521AKEY(FOR CRANKSHAFT TIMING GEAR)
main90280-05010i198805-198910
main95161-20519i198910-199009
13521PPULLEY, CRANKSHAFT TIMING
main13521-11010i198805-199009
main13521-55010i198805-199009
13566AGUIDE, TIMING BELT
main13566-10011i198805-199009
main13566-55010i198805-199009
9161160820

22 parts on this diagram · 2 diagrams in section

CRANKSHAFT & PISTON — Toyota Parts Diagram with OEM Numbers & Prices | EPC Data