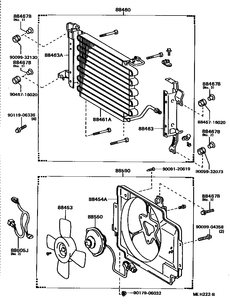
HEATING & AIR CONDITIONING - COOLER PIPING

88453FAN, COOLING (FOR CONDENSER)
88463BRACKET, COOLER CONDENSER, NO.1
88463ABRACKET, COOLER CONDENSER, NO.2
88467BINSULATOR, COOLER CONDENSER MOUNTING
NO.3
NO.1
NO.2
NO.3
NO.1; NO.2
88550MOTOR ASSY, BLOWER (FOR CONDENSER)
88590BLOWER ASSY, W/SHROUD
88605JHARNESS SUB-ASSY, AIR CONDITIONER WIRING
NO.1,W/PS
NO.1,W/PS
NO.1,W/O PS
NO.1,W/O PS
NO.1,W/PS & *AAC
NO.1,W/PS & *AAC
NO.1,W/O PS & *AAC
NO.1,W/O PS & *AAC
W/PS
W/O PS
W/PS
W/O PS
NO.1
NO.2
*AAC
NO.1
W/*AAC
W/PS
W/*AAC
W/O PS
NO.1
NO.1
8846716020CUSHION, COOLER CONDENSER, NO.1
main88467-16020
9009120619
main90091-20619
9009904358
main90099-04358
9009932073
main90099-32073
9009932130
main90099-32130
9011906336
main90119-06336
9017906032
main90179-06032
9046716020
main90467-16020
18 parts on this diagram · 5 diagrams in section