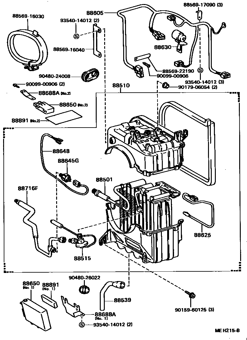
HEATING & AIR CONDITIONING - COOLER UNIT

88501EVAPORATOR SUB-ASSY, COOLER, NO.1
88510UNIT ASSY, COOLER
88515VALVE, COOLER EXPANSION
88539HOSE, COOLER UNIT DRAIN, NO.1
88605HARNESS SUB-ASSY, COOLER WIRING, NO.1
W/PS & 2-BUTTON
W/PS & 1-BUTTON
W/PS & 2-BUTTON
W/PS & 1-BUTTON
W/O PS & 2-BUTTON
W/O PS & 1-BUTTON
W/O PS & 2-BUTTON
W/O PS & 1-BUTTON
W/PS
W/O PS
W/PS
W/O PS
W/PS
W/O PS
W/PS
W/O PS
W/PS
W/O PS
88625THERMISTOR, COOLER, NO.1
88630RELAY ASSY, COOLER
W/*AAC
W/*AAC
88645GSWITCH, PRESSURE
88648WIRING, COOLER, NO.1
88650AMPLIFIER ASSY, COOLER STABILIZER
NO.1,W/PS & 1-BUTTON
NO.2
NO.1,W/PS & 2-BUTTON
NO.1,W/O PS & 2-BUTTON
NO.1,W/PS & 2-BUTTON
NO.1,W/O PS & 2-BUTTON
NO.1,W/PS
NO.1,W/O PS
NO.2
NO.2
NO.2
NO.2
NO.3,*AAC
NO.1,W/PS & 1-BUTTON
NO.1,W/O PS & 1-BUTTON
NO.1,W/PS & 2-BUTTON
NO.1,W/PS & 1-BUTTON
NO.1,W/O PS & 2-BUTTON
NO.1,W/O PS & 1-BUTTON
88688ABRACKET, COOLER STABILIZER AMPLIFIER
NO.3,W/*AAC
NO.1,W/O PS
NO.1,W/O PS
NO.2
88716FPIPE, COOLER REFRIGERANT LIQUID, F
88891PACKING (FOR COOLER)
NO.1
NO.2
8856916030CLAMP (FOR COOLER RELAY)
main88569-16030
8856916040CLAMP (FOR COOLER RELAY)
main88569-16040
8856917090CLAMP (FOR COOLER RELAY)
main88569-17090
8856922190CLAMP (FOR COOLER RELAY)
main88569-22190
9009900906
main90099-00906
9015960125
main90159-60125
9017906054
main90179-06054
9048024008
main90480-24008
9048026022
main90480-26022
9354014012
main93540-14012
23 parts on this diagram · 3 diagrams in section