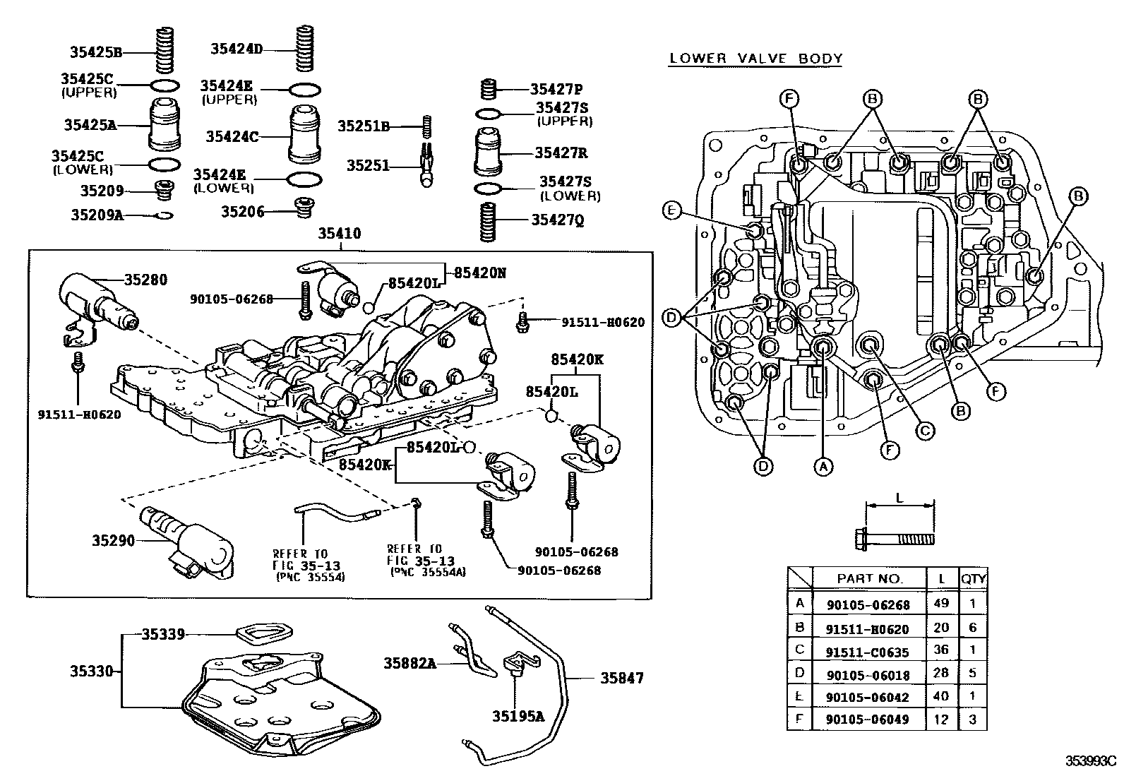
VALVE BODY & OIL STRAINER (ATM)

3513THROTTLE LINK & VALVE LEVER (ATM)
35195ACLAMP, TRANSAXLE APPLY TUBE, NO.1
35206SPRING SUB-ASSY, C-1 ACCUMULATOR
35209SPRING SUB-ASSY, C-2 ACCUMULATOR
35209ARING, HOLE SNAP (FOR C-2 ACCUMULATOR SPRING)
35251BODY, CHECK BALL
35251BSPRING, COMPRESSION(FOR CHECK BALL BODY)
35280SOLENOID ASSY, LOCK UP CONTROL
35290SOLENOID ASSY, LINE PRESSURE CONTROL
35330STRAINER ASSY, VALVE BODY OIL
35410BODY ASSY, TRANSMISSION VALVE
35424CPISTON, C-1 ACCUMULATOR
35424DSPRING, COMPRESSION (FOR C-1 ACCUMULATOR PISTON)
35424ERING, O (FOR C-1 ACCUMULATOR PISTON)
35425APISTON, C-2 ACCUMULATOR
35425BSPRING, COMPRESSION (FOR C-2 ACCUMULATOR PISTON)
35425CRING, O (FOR C-2 ACCUMULATOR PISTON)
35427PSPRING, COMPRESSION, NO.1(FOR B-1 ACCUMULATOR PISTON)
35427QSPRING COMPRESSION, NO.2(FOR B1 ACCUMULATOR PISTON)
35427RPISTON B-1 ACCUMULATOR
35427SRING, O(FOR B-1 ACCUMULATOR PISTON)
35847TUBE, TRANSMISSION LUBE APPLY
35882ATUBE, DIFFERENTIAL GEAR LUBE APPLY
85420KSOLENOID ASSY, TRANSMISSION
85420LRING, O(FOR TRANSMISSION SOLENOID)
85420NSOLENOID ASSY, TRANSMISSION
9010506018
main90105-06018
9010506042
main90105-06042
9010506049
main90105-06049
9010506268
main90105-06268
91511C0635
main91511-C0635
91511H0620
main91511-H0620
33 parts on this diagram · 2 diagrams in section