E
EPC Data

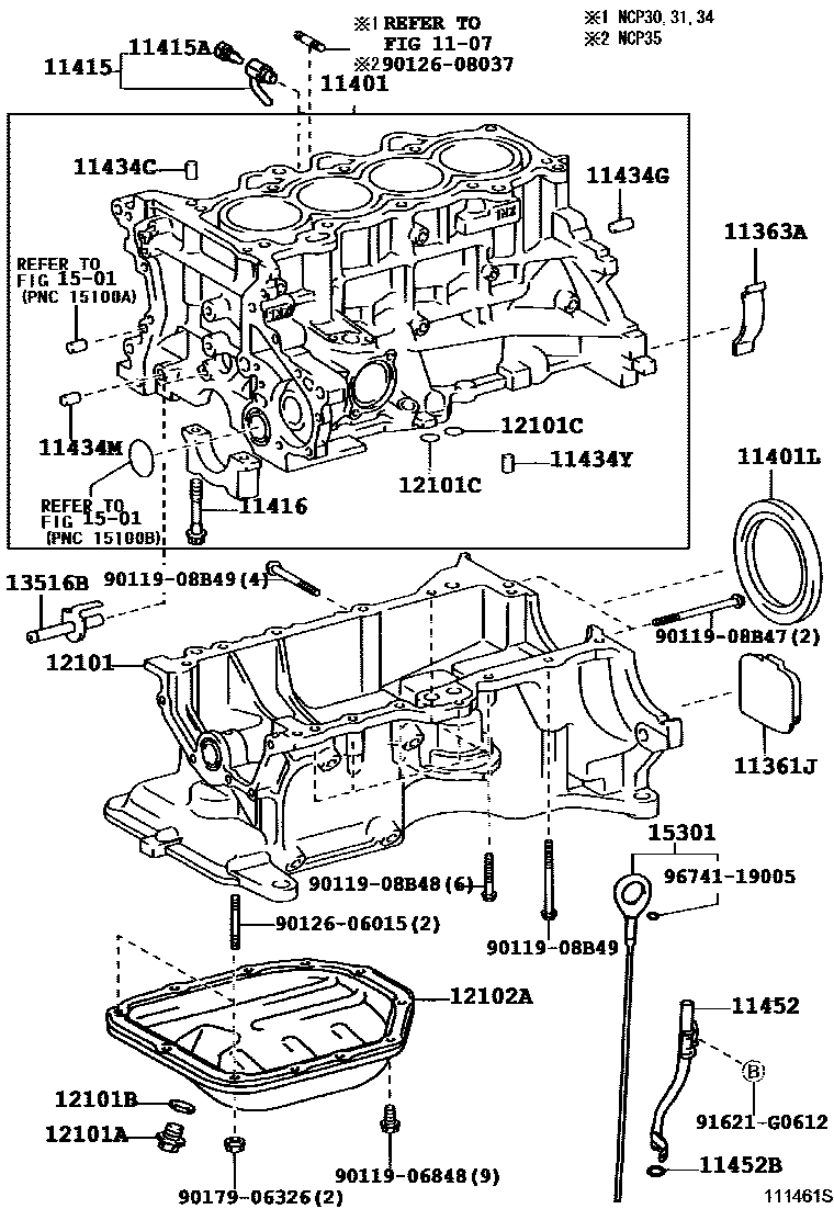
CYLINDER BLOCK

Parts diagram
11361JCOVER, FLYWHEEL HOUSING UNDER
main11361-21010i200001-200105
main11361-21011i200105-200208
11363ACOVER, FLYWHEEL HOUSING SIDE
main11363-21010i200001-200208
11401BLOCK SUB-ASSY, CYLINDER
main11401-29675i200001-200208
main11401-29685i200001-200008
main11401-29686i200008-200208
main11401-29687i200212-200304
main11401-29845i200208-200512
main11401-29855i200304-200512
11401LSEAL, ENGINE REAR OIL
main90311-75016i200208-200512
11415COCK SUB-ASSY, WATER DRAIN(FOR CYLINDER BLOCK)
main90910-09107i200001-200208
11415APLUG, WATER DRAIN COCK(FOR CYLINDER BLOCK)
main90910-09087i200001-200208
11416BOLT(FOR CRANKSHAFT BEARING CAP SET)
main90910-02125×10i200001-200208
11434CPIN, STRAIGHT (FOR CYLINDER HEAD SET)
main90250-08120×2i200001-200208
11434GPIN, STRAIGHT(FOR END PLATE)
main90250-10113×2i200001-200208
11434MPIN, STRAIGHT(FOR CHAIN TENSIONER)
main90250-10030i200001-200208
11434YPIN, STRAIGHT(FOR OIL PAN)
main90250-08120×2i200001-200208
11452GUIDE, OIL LEVEL GAGE
main11452-21030i200001-200208
11452BRING, O(FOR OIL LEVEL GAGE GUIDE)
main96721-19010i200001-200208
12101PAN SUB-ASSY, OIL
main12111-21031i200001-200008
main12111-21032i200008-200104
main12111-21033i200104-200208
12101APLUG(FOR OIL PAN DRAIN)
main90341-12012i200001-200208
12101BGASKET(FOR OIL PAN DRAIN PLUG)
main90430-12031i200001-200208
12101CRING, O(FOR OIL PAN)
main96722-24020×2i200001-200208
12102APAN SUB-ASSY, OIL, NO.2
main12102-21010i200001-200208
13516BJET, OIL
main13516-21010i200001-200208
1501ENGINE OIL PUMP
15301GAGE SUB-ASSY, OIL LEVEL
main15301-21030i200001-200208
9011906848
9011908B47
9011908B48
9011908B49
9012606015
9012608037
9017906326
91621G0612
9674119005

31 parts on this diagram · 1 diagram in section

CYLINDER BLOCK — Toyota Parts Diagram with OEM Numbers & Prices | EPC Data