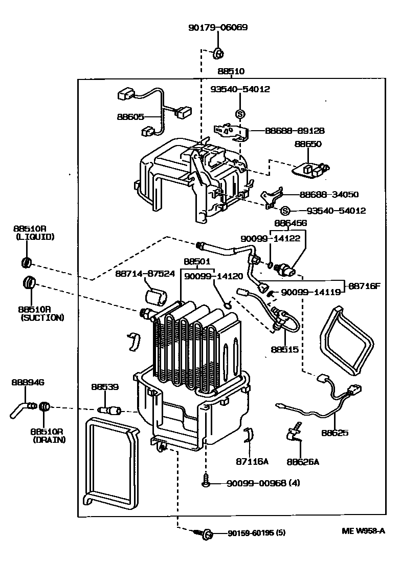
HEATING & AIR CONDITIONING - COOLER UNIT

87116ASPRING, HOLDING (FOR COOLER UNIT CASE)
88501EVAPORATOR SUB-ASSY, COOLER, NO.1
88510UNIT ASSY, COOLER
88510RGROMMET (FOR COOLER UNIT)
LIQUID
DRAIN
SUCTION
88515VALVE, COOLER EXPANSION
88539HOSE, COOLER UNIT DRAIN, NO.1
88605HARNESS SUB-ASSY, COOLER WIRING, NO.1
88625THERMISTOR, COOLER, NO.1
88626AHOLDER, THERMISTOR
88645GSWITCH, PRESSURE
88650AMPLIFIER ASSY, COOLER STABILIZER
88716FPIPE, COOLER REFRIGERANT LIQUID, F
88894GCONNECTOR, DRAIN HOSE
8868834050BRACKET, COOLER DIAPHRAGM
main88688-34050
8868889128BRACKET, COOLER DIAPHRAGM
main88688-89128
8871487524HOSE, COOLER REFRIGERANT LIQUID, NO.1
main88714-87524
9009900968
main90099-00968
9009914119
main90099-14119
9009914120
main90099-14120
9009914122
main90099-14122
9015960195
main90159-60195
9017906069
main90179-06069
9354054012
main93540-54012
23 parts on this diagram · 1 diagram in section