E
EPC Data

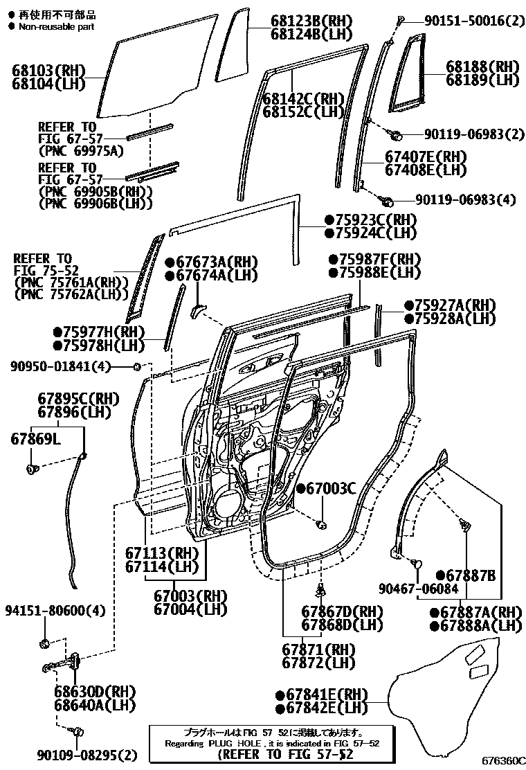
REAR DOOR PANEL & GLASS

Parts diagram
5752HOLE PLUG
67003PANEL SUB-ASSY, REAR DOOR, RH
main67003-60490i201308-201908
main67003-60590i201908
67003CCUSHION, REAR DOOR PANEL
main90541-09069×2i200911-201206
67004PANEL SUB-ASSY, REAR DOOR, LH
main67004-60490i201308-201711
main67004-60600i201908
67113PANEL, REAR DOOR, OUTER RH
main67113-60220i201908
main67113-60230i201308-201908
67114PANEL, REAR DOOR, OUTER LH
main67114-60220i201908
main67114-60230i200911-201309
67407EBAR SUB-ASSY, REAR DOOR WINDOW DIVISION, RH
main67407-60070i201308-201711
67408EBAR SUB-ASSY, REAR DOOR WINDOW DIVISION, LH
main67408-60070i200911-201309
6757REAR DOOR WINDOW REGULATOR & HINGE
67673AGARNISH, REAR DOOR FRAME, RH
main67673-48010i200911-201308
67674AGARNISH, REAR DOOR FRAME, LH
main67674-48010i200911-201206
67841ECOVER, REAR DOOR SERVICE HOLE, RH
main67805-60010i200911-201308
67842ECOVER, REAR DOOR SERVICE HOLE, LH
main67806-60010i201908
67867DRETAINER, REAR DOOR WEATHERSTRIP, RH
main67867-12150×19i200911-201308
67868DRETAINER, REAR DOOR WEATHERSTRIP, LH
main67867-12150×19i201908
67869LCLIP, REAR DOOR WEATHERSTRIP
main67869-33030×2i200911-201308
67871WEATHERSTRIP, REAR DOOR, RH
main67871-60130i201308-201711
67872WEATHERSTRIP, REAR DOOR, LH
main67872-60130i201308-201908
67887AWEATHERSTRIP, REAR DOOR, NO.2 RH
main67887-60020i201308-201908
67887BCLIP(FOR REAR DOOR WEATHERSTRIP)
main67867-12150×10i200911-201206
67888AWEATHERSTRIP, REAR DOOR, NO.2 LH
main67888-60020i201908
67895CWEATHERSTRIP, REAR DOOR, NO.3 RH
main67895-60040i201308-201711
67896WEATHERSTRIP, REAR DOOR, NO.3 LH
main67896-60040i201308-201908
68103GLASS SUB-ASSY, REAR DOOR, RH
main68113-60400supersedes 68113-60390i201012-201206
*TEM,T=4.0,DARK GRAY
68104GLASS SUB-ASSY, REAR DOOR, LH
main68114-60400supersedes 68114-60390i201012-201206
*TEM,T=4.0,DARK GRAY
68123BGLASS, REAR DOOR QUARTER WINDOW, RH
main68123-60380supersedes 68123-60390i201012-201206
*TEM,T=3.5,DARK GRAY
68124BGLASS, REAR DOOR QUARTER WINDOW, LH
main68124-60380supersedes 68124-60390i201012-201206
*TEM,T=3.5,DARK GRAY
68142CRUN, REAR DOOR GLASS, RH
main68142-60070i200911-201206
68152CRUN, REAR DOOR GLASS, LH
main68152-60060i200911-201206
68188WEATHERSTRIP, REAR DOOR QUARTER WINDOW, RH
main68188-60070i201308-201908
68189WEATHERSTRIP, REAR DOOR QUARTER WINDOW, LH
main68189-60070i200911-201308
68630DCHECK ASSY, REAR DOOR, RH
main68630-60120i200911-201206
main68630-60140i201612-201907
68640ACHECK ASSY, REAR DOOR, LH
main68630-60120i200911-201309
main68640-60120i201908-202006
75923CTAPE, BLACK OUT, NO.2 RH
main75923-60030i200911-201308
75924CTAPE, BLACK OUT, NO.2 LH
main75924-60030i201308-201711
75927ATAPE, BLACK OUT, NO.4 RH
main75927-60040i201308-201711
75928ATAPE, BLACK OUT, LH
main75928-60040i200911-201309
75977HSTRIPE, REAR DOOR OUTSIDE, LOWER RH
main75977-60180i201308-201908
75978HSTRIPE, REAR DOOR OUTSIDE, LOWER LH
main75978-60180i201308-201711
75987FSTRIPE, REAR DOOR, OUTSIDE, RH
main75987-60580i201308-201711
75988ESTRIPE, REAR DOOR, OUTSIDE LH
main75988-60730i201908
9010908295
9011906983
9015150016
9046706084
9095001841
9415180600

48 parts on this diagram · 2 diagrams in section

REAR DOOR PANEL & GLASS — Toyota Parts Diagram with OEM Numbers & Prices | EPC Data