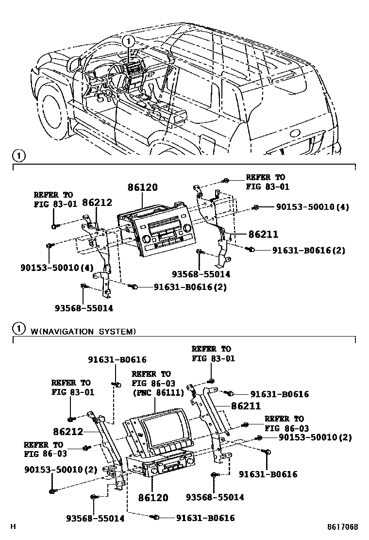
RADIO RECEIVER & AMPLIFIER & CONDENSER

8301METER
8603NAVIGATION & FRONT MONITOR DISPLAY
86120RECEIVER ASSY, RADIO
PIONEER,ID=P7809,TYPE F:REFER ILLUST.
PIONEER,ID=P7843,TYPE F:REFER ILLUST.
PIONEER,AUDIO(FOR OVERSEAS MARKET)-MADE IN CHINA,TYPE F:REFER ILLUST.
PIONEER,ID=P7810,AUDIO(FOR OVERSEAS MARKET)-AM/FM/CASETTE/CDCHANGER 6SP
PIONEER,ID=P7844,AUDIO(FOR OVERSEAS MARKET)-AM/FM/CASETTE/CDCHANGER 6SP
PIONEER,ID=P7815,AUDIO(FOR OVERSEAS MARKET)-AM/FM/MW/CDCHANGER 6SP
PIONEER,ID=P7845,AUDIO(FOR OVERSEAS MARKET)-AM/FM/MW/CDCHANGER 6SP
PIONEER,ID=P2738,AUDIO(FOR OVERSEAS MARKET)-05EMV 9SP W(BLUETOOTH)
86211BRACKET, RADIO, NO.1
AUDIO(FOR OVERSEAS MARKET)-05EMV 9SP W(BLUETOOTH)
main86211-60170iGRJ12#,KZJ120,LJ12#,RZJ12#,TRJ12#..GEN; GRJ12#,KZJ120,LJ12#,RZJ12#,TRJ12#..LHD..(GCC,GEN); GRJ120,KDJ120,KZJ120,LJ120,RZJ120,TRJ120..RHD200308
AUDIO(FOR OVERSEAS MARKET)-AM/FM/CASETTE/CDCHANGER 6SP; AUDIO(FOR OVERSEAS MARKET)-AM/FM/MW/CDCHANGER 6SP; AUDIO(FOR OVERSEAS MARKET)-AM/FM/SW1/SW2/CDCHANGER 6SP
86212BRACKET, RADIO, NO.2
AUDIO(FOR OVERSEAS MARKET)-05EMV 9SP W(BLUETOOTH)
main86212-60170iGRJ12#,KZJ120,LJ12#,RZJ12#,TRJ12#..GEN; GRJ12#,KZJ120,LJ12#,RZJ12#,TRJ12#..LHD..(GCC,GEN); GRJ120,KDJ120,KZJ120,LJ120,RZJ120,TRJ120..RHD200308
AUDIO(FOR OVERSEAS MARKET)-AM/FM/CASETTE/CDCHANGER 6SP; AUDIO(FOR OVERSEAS MARKET)-AM/FM/MW/CDCHANGER 6SP; AUDIO(FOR OVERSEAS MARKET)-AM/FM/SW1/SW2/CDCHANGER 6SP
9015350010
main90153-50010
91631B0616
main91631-B0616
9356855014
main93568-55014
8 parts on this diagram · 3 diagrams in section