E
EPC Data

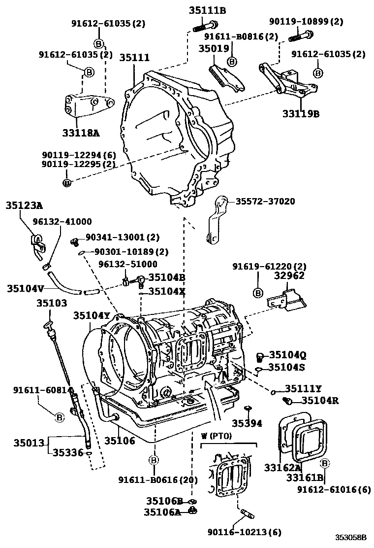
TRANSMISSION CASE & OIL PAN (ATM)

Parts diagram
32962INSULATOR, OIL TEMPERATURE SWITCH HEAT
main32962-37010i200010-200206
33118APLATE, STIFFENER, RH(ATM)
main33118-37050i200010-200206
33119BPLATE, STIFFENER, LH(ATM)
main33119-37060i200010-200206
33161BCOVER, TRANSMISSION POWER TAKE-OFF
main33161-37020i200010-200206
33162AGASKET, TRANSMISSION POWER TAKE-OFF
main33162-37020i200010-200206
35013TUBE SUB-ASSY, TRANSMISSION OIL FILLER
main35013-37030i200010-200206
35019COVER SUB-ASSY, TRANSMISSION CASE DUST
main35019-37030i200010-200206
35103GAGE SUB-ASSY, TRANSMISSION OIL LEVEL
main35103-37030i200010-200206
35104BPLUG, BREATHER, NO.1 (ATM)
main90930-03094i200010-200206
35104QPLUG, NO.1 (FOR TRANSAXLE CASE)
main90341-13001i200010-200206
35104RPLUG, NO.2 (FOR TRANSAXLE CASE)
main90341-08001i200010-200206
35104SRING, O (FOR TRANSAXLE CASE PLUG NO.1)
main90301-10189i200010-200206
35104VHOSE (FOR BREATHER PLUG)
main90445-11149i200010-200206
35104XRING, O (FOR BREATHER PLUG)
main90301-06005i200010-200206
35104YRING, O (FOR AUTOMATIC TRANSMISSION CASE)
main90301-99067i200010-200206
35106PAN SUB-ASSY, AUTOMATIC TRANSMISSION OIL
main35106-37020i200010-200206
35106APLUG SUB-ASSY, DRAIN (ATM)
main90341-18057i200010-200206
35106BGASKET, DRAIN PLUG (ATM)
main12157-10010i200010-200206
35111HOUSING, AUTOMATIC TRANSMISSION
main35111-37010i200010-200206
35111BBOLT (FOR TRANSMISSION HOUSING & ENGINE SETTING)
main90119-10898i200010-200206
*14-1.50PX50-26
35111YRING, O (FOR AUTOMATIC TRANSMISSION CASE)
main90301-06196i200010-200206
35123ASKIRT, TRANSMISSION BREATHER
main35123-37020i200010-200206
35336RING, O (FOR TRANSMISSION OIL FILLER TUBE)
main90301-09011i200010-200206
35394MAGNET, OIL CLEANER (FOR TRANSMISSION)
main35394-30011i200010-200206
3557237020LEVER, TRANSMISSION CONTROL SHAFT, RH
9011610213
9011910899
9011912294
9011912295
9030110189
9034113001
9161160814
91611B0616
91611B0816
9161261016
9161261035
9161961220
9613241000
9613251000

39 parts on this diagram · 1 diagram in section

TRANSMISSION CASE & OIL PAN (ATM) — Toyota Parts Diagram with OEM Numbers & Prices | EPC Data