ELECTRONIC CONTROLED DIESEL (ECD)

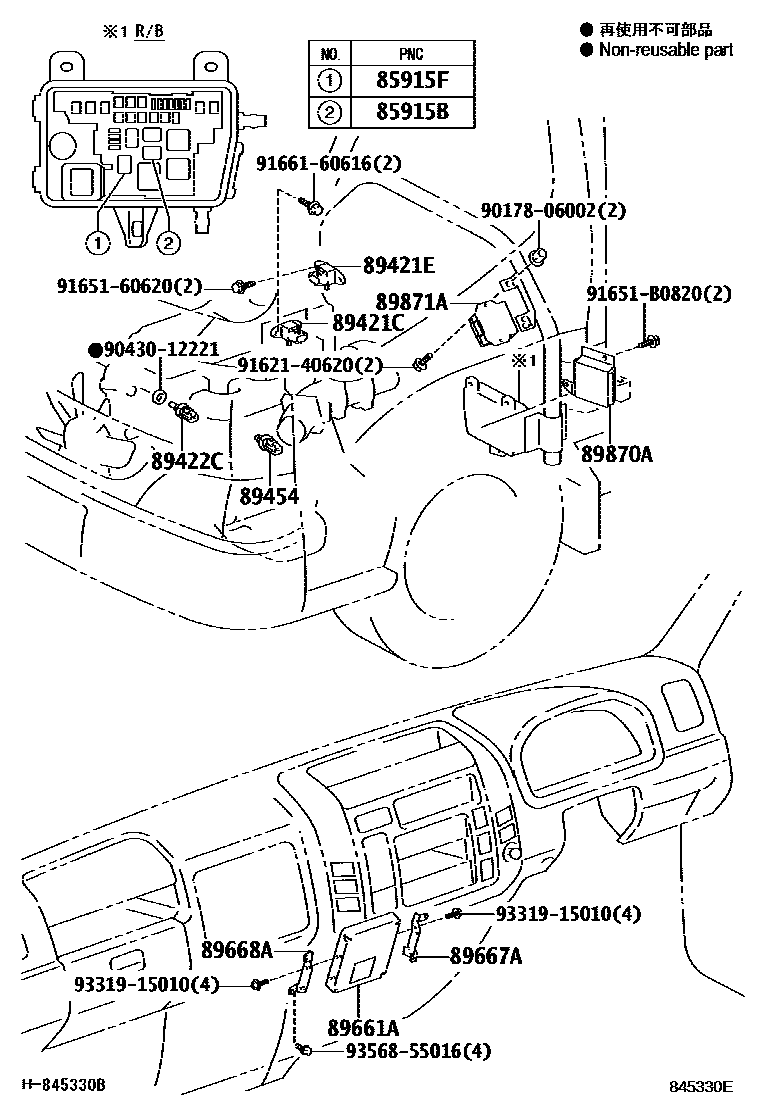
85915BRELAY, MAIN (FOR DIESEL TURBO)
85915FRELAY, SPILL VALVE
89421CSENSOR, TURBO PRESSURE (FOR DIESEL TURBO)
89421ESENSOR, VACUUM
89422CSENSOR, DIESEL ENGINE WATER TEMPERATURE
89454SENSOR, FUEL TEMPERATURE
89661ACOMPUTER, ENGINE CONTROL
DENSO
DENSO
DENSO
DENSO
DENSO
DENSO
89667ABRACKET, ENGINE CONTROL COMPUTER, NO.1
89668ABRACKET, ENGINE CONTROL COMPUTER, NO.2
89870ADRIVER ASSY, INJECTOR
89871ADRIVER, INJECTOR
9017806002
main90178-06002
9043012221
main90430-12221
9162140620
main91621-40620
9165160620
main91651-60620
91651B0820
main91651-B0820
9166160616
main91661-60616
9331915010
main93319-15010
9356855016
main93568-55016
19 parts on this diagram · 4 diagrams in section