E
EPC Data

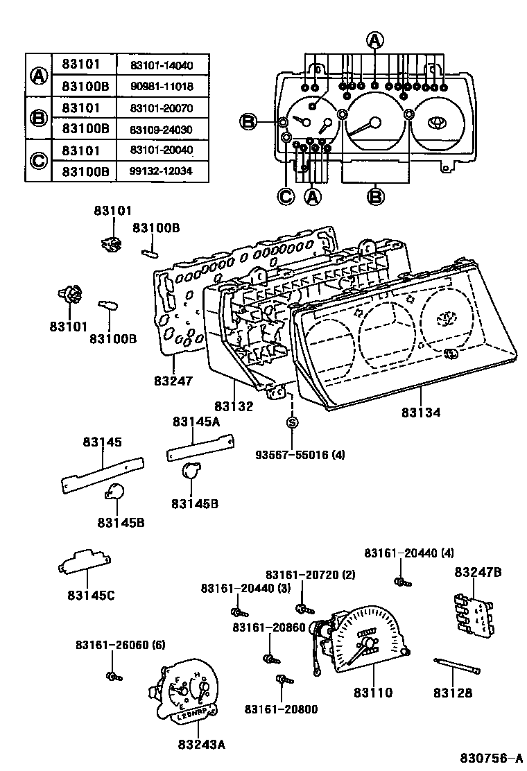
METER

Parts diagram
83100METER ASSY, COMBINATION
main83800-26D10i200808-200904
W(SPEED METER---KM)
main83800-26D11i200905-201009
main83800-26D12i201010
main83800-26D20i200808-200904
W(SPEED METER---MILE/KM)
main83800-26D21i200905-201009
W(SPEED METER---MILE/KM)
main83800-26D22i201010
W(SPEED METER---MILE/KM)
83100BBULB, COMBINATION METER, NO.1
main83109-24030i199508-199804
12V3.4W W(GREEN CAP),TYPE B:REFER TO ILLUSTRATION
main83109-24030i199703-199708
12V3.4W W(GREEN CAP)
main83120-60020i199907-200808
12V 1.4W,W(SOCKET)
main83120-60020i199804-200605
12V 1.4W,W(SOCKET),TYPE A:REFER TO ILLUSTRATION
main90010-06006i199907-200808
12V3.4W,W(GREEN CAP)
main90010-06006i199804-200605
12V3.4W,W(GREEN CAP),TYPE B:REFER TO ILLUSTRATION
main90010-06006i199804-200605
12V3.4W,W(GREEN CAP),TYPE B:REFER TO ILLUSTRATION, W(TACHO METER)
main90010-06007i199804-200605
12V 3.4W,W(SOCKET),TYPE C:REFER TO ILLUSTRATION
main90010-06007i199907-200808
12V 3.4W,W(SOCKET)
main90981-11018i199703-199708
12V 1.2W W/O SOCKET
main90981-11018i199508-199804
12V 1.2W W/O SOCKET,TYPE A:REFER TO ILLUSTRATION
main99132-12034i199508-199804
12V 3.4W,TYPE C:REFER TO ILLUSTRATION
83101SOCKET SUB-ASSY, COMBINATION METER BULB
main83101-14040i199508-199804
TYPE A:REFER TO ILLUSTRATION
main83101-20040i199508-199804
TYPE C:REFER TO ILLUSTRATION
main83101-20070i199508-199804
TYPE B:REFER TO ILLUSTRATION
83110SPEEDOMETER ASSY
main83220-26010i199508-199804
main83220-26020i199508-199804
main83220-26030i199508-199804
main83220-26040i199508-199804
main83220-26050i199508-199804
main83220-26060i199508-200108
main83220-26061i200108-200311
main83220-26180i199804-200108
main83220-26190i199804-200108
main83220-26220i199804-200108
KM/H
main83220-26230i199804-200108
MPH & KM/H
main83220-26240i199804-200108
main83220-26250i199804-200108
W(TACHOMETER)
main83220-26260i199804-200108
W(TACHOMETER)
main83220-26330i200108-200808
KM/H
main83220-26340i200405-200608
KM/H
main83220-26340i200108-200808
KM/H & W(TACHOMETER)
main83220-26350i200108-200808
MILE/H+KM/H
main83220-26360i200108-200808
MILE/H+KM/H & W(TACHOMETER)
main83220-26370i200405-200605
KM/H
main83220-26370i200108-200605
main83220-26380i200108-200605
W(TACHOMETER)
main83220-26380i200405-200605
KM/H & W(TACHOMETER)
main83220-26390i200108-200605
main83220-26400i200108-200605
W(TACHOMETER)
main83220-26410i200405-200608
83128KNOB, TRIP COUNTER
main83128-22480i199508-200108
main83224-26380i200108-200808
83132CASE, COMBINATION METER
main83841-26010i199508-200108
main83841-26530i200108-200808
main83841-26600i200108-200808
W(TACHOMETER)
83134COVER, COMBINATION METER, NO.1
main83821-26010i199508-200108
main83821-26030i199508-200108
W(TACHOMETER)
main83821-26040i199508-200108
main83821-26050i199508-200108
W(TACHOMETER)
main83821-26830i199910-199912
main83821-26850i199910-199912
W(TACHOMETER)
main83821-26880i200108-200808
W(OIL CHANGE RESET SWITCH)
main83821-2F060i199910-199912
main83821-2F340i199910-199912
W(TACHOMETER)
main83821-2F341i200108-200608
main83822-26280i200108-200808
83145LENS, METER, NO.1
main83831-26010i199508-200108
main83831-2F210i199804-200108
main83831-2F211i200108-200311
main83831-2F340i200108-200808
83145ALENS, METER, NO.2
main83145-26260i199508-199804
main83831-26090i199508-200108
main83832-26010i199508-200808
main83832-26010i200108-200605
W(TACHOMETER)
main83832-2F340i200108-200311
83145BLENS, METER, NO.3
main83833-26010i199508-200808
83145CLENS, METER, NO.4
main83145-26380i199508-200108
83243AGAUGE SUB-ASSY, FUEL RECEIVER
main83882-26010i199508-200108
main83882-26040i199508-200108
main83882-26530i200108-200808
main83882-2F340i200108-200608
83247PLATE, METER CIRCUIT
main83861-26010i199508-200108
main83861-26070i199508-199804
main83861-26080i199508-199804
main83861-26090i199508-200108
main83861-26110i199508-200108
main83861-26140i199508-200108
main83861-26840i200108-200808
main83861-26880i199804-200108
main83861-26881i200108-200808
W(TACHOMETER)
main83861-26881i200405-200608
main83861-26890i200108-200808
W(DOOR WARNING & TACHOMETER)
main83861-2F010i199804-200108
main83861-2F011i200108-200405
main83861-2F012i200405-200608
main83861-2F020i200108-200605
main83861-2F040i200108-200605
W(TACHOMETER)
main83861-2F050i200108-200605
main83861-2F210i200108-200311
main83861-2F340i200108-200405
main83861-2F341i200405-200608
83247BPLATE, METER CIRCUIT, NO.2
main83149-26860i199508-199804
main83149-2F070i199804-200108
main83862-2F340i200108-200808
8316120440CASE, COMBINATION METER MIRROR, NO.1
8316120720CASE, COMBINATION METER MIRROR, NO.1
8316120800CASE, COMBINATION METER MIRROR, NO.1
8316120860CASE, COMBINATION METER MIRROR, NO.1
8316126060CASE, COMBINATION METER MIRROR, NO.1
9356755016

20 parts on this diagram · 11 diagrams in section

METER — Toyota Parts Diagram with OEM Numbers & Prices | EPC Data