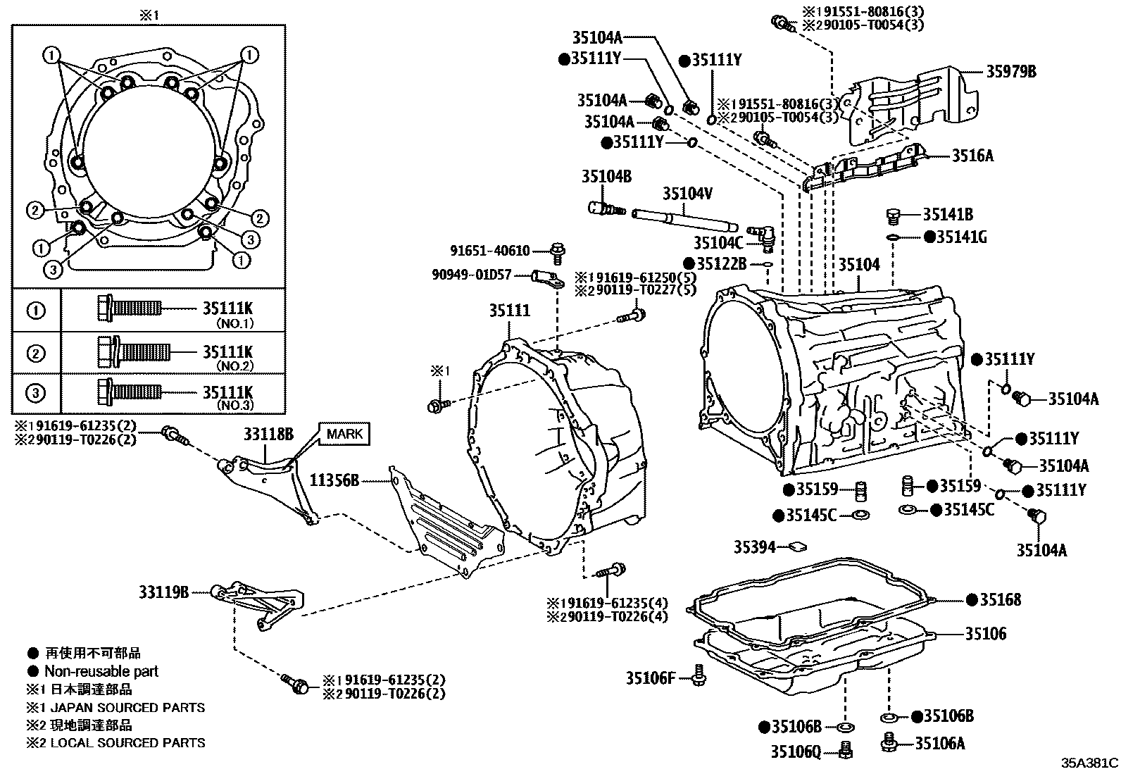
TRANSMISSION CASE & OIL PAN (ATM)

33118BPLATE, STIFFENER, RH(ATM)
35104CASE SUB-ASSY, AUTOMATIC TRANSMISSION
35104APLUG, AUTOMATIC TRANSMISSION CASE
35104BPLUG, BREATHER, NO.1 (ATM)
35104CPLUG, BREATHER, NO.2 (ATM)
35106PAN SUB-ASSY, AUTOMATIC TRANSMISSION OIL
35106APLUG SUB-ASSY, DRAIN (ATM)
35106BGASKET, DRAIN PLUG (ATM)
35106FBOLT (FOR AUTOMATIC TRANSMISSION OIL PAN)
35106QPLUG (FOR AUTOMATIC TRANSMISSION OIL PAN)
35111KBOLT (FOR TRANSMISSION HOUSING & CASE SETTING)
35111YRING, O (FOR AUTOMATIC TRANSMISSION CASE)
35122BRING, O (FOR AUTOMATIC TRANSAXLE BREATHER TUBE UNION)
35141BPLUG (FOR AUTOMATIC TRANSMISSION CASE)
35141GRING, O (FOR AUTOMATIC TRANSMISSION CASE)
35145CGASKET, TRANSAXLE CASE
35159GASKET, BRAKE DRUM
35168GASKET, AUTOMATIC TRANSMISSION OIL PAN
3516AINSULATOR, TRANSAXLE OIL PAN HEAT
35394MAGNET, OIL CLEANER (FOR TRANSMISSION)
35979BINSULATOR, TRANSMISSION, RH
90105T0054
main90105-T0054
90119T0226
main90119-T0226
90119T0227
main90119-T0227
9094901D57
main90949-01D57
9155180816
main91551-80816
9161961235
main91619-61235
9161961250
main91619-61250
9165140610
main91651-40610
33 parts on this diagram · 2 diagrams in section