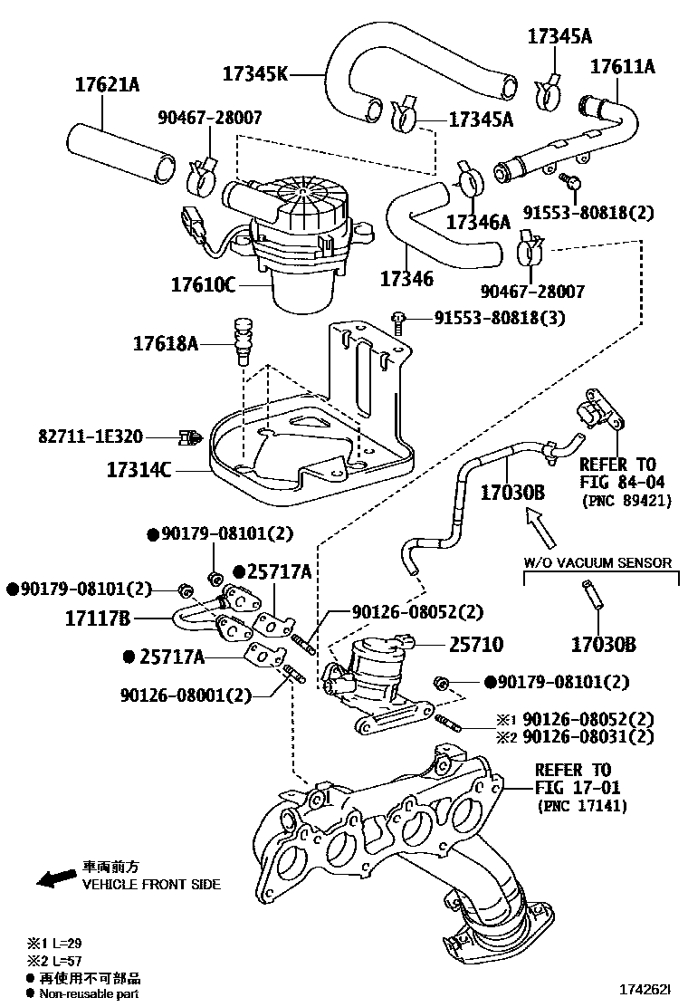
MANIFOLD AIR INJECTION SYSTEM

1701MANIFOLD
17030BHOSE ASSY, AIR
main17030-75030i2TRFE..TRH201,203,213,22#..(03S,06S,11S,14S,15S,16S)..4FC; 2TRFE..TRH201,22#..4FC..ARL; 2TRFE..TRH213..GL..GEN201205-201312
LPG CONVERSION PACKAGE; MEXICO SPEC
MEXICO SPEC
17117BPIPE, INTAKE, NO.4
CHINA(PRC) SPEC&EXHAUST EMISSION CONTROL-GASOLINE EURO4
main17117-75011i2TRFE..TRH201,221..ARL;2TRFE..TRH201,213..(06S,10S,11S)..(GEN,TH);1TRFE,2TRFE..TRH200,203,213,223..4FC..(ARL,GCC,GEN);2TRFE..TRH201,22#..SG..(03S,12S,14S,15S)..5F..(ARL,CIS,GEN,TH)201005-201401
17314CBRACKET, AIR PUMP
main17314-0C030i2TRFE..TRH201,221..ARL;2TRFE..TRH201,213..(06S,09S,10S,11S)..(GEN,TH);2TRFE..TRH201,22#..SG..(03S,14S,15S)..5F..(ARL,GEN,TH);1TRFE,2TRFE..TRH200,203,213,223..(06S,13S,14S,15S,16S)..4FC200501-201401
17345ACLAMP OR CLIP, NO.5(FOR AIR INJECTION SYSTEM HOSE, NO.5)
main96134-52600×2i2TRFE..TRH201,221..ARL;2TRFE..TRH201,213..(06S,09S,10S,11S)..(GEN,TH);2TRFE..TRH201,22#..SG..(03S,14S,15S)..5F..(ARL,GEN,TH);1TRFE,2TRFE..TRH200,203,213,223..(06S,13S,14S,15S,16S)..4FC200501-201401
17345KHOSE, AIR, NO.5
main17345-75060i2TRFE..TRH201,221..ARL;2TRFE..TRH201,213..(06S,09S,10S,11S)..(GEN,TH);2TRFE..TRH201,22#..SG..(03S,14S,15S)..5F..(ARL,GEN,TH);1TRFE,2TRFE..TRH200,203,213,223..(06S,13S,14S,15S,16S)..4FC200501-201401
17346HOSE, NO.6(FOR AIR INJECTION SYSTEM)
main17346-75050i2TRFE..TRH201..5D..03S..GEN; 2TRFE..TRH201..5F..ARL; 2TRFE..TRH201..ARL;2TRFE..TRH201..SG..03S;2TRFE..TRH201..06S..GEN;1TRFE,2TRFE..TRH200,203..4FC200501-201312
MEXICO SPEC; SOUTH AFRICA SPEC
main17346-75060i2TRFE..TRH221..ARL;2TRFE..TRH213,223..4D..4FC;2TRFE..TRH223..5F..(ARL,TH);2TRFE..TRH213,221..SG..(03S,09S,10S,11S)..(GEN,TH)200501-201401
17346ACLAMP OR CLIP, NO.6(FOR AIR INJECTION SYSTEM HOSE, NO.6)
main96134-52600i2TRFE..TRH201,221..ARL;2TRFE..TRH201,213..(06S,09S,10S,11S)..(GEN,TH);2TRFE..TRH201,22#..SG..(03S,14S,15S)..5F..(ARL,GEN,TH);1TRFE,2TRFE..TRH200,203,213,223..(06S,13S,14S,15S,16S)..4FC200501-201401
17610CPUMP ASSY, AIR
main17610-0C010i2TRFE..TRH201,221..ARL;2TRFE..TRH201,213..(06S,09S,10S,11S)..(GEN,TH);2TRFE..TRH201,22#..SG..(03S,14S,15S)..5F..(ARL,GEN,TH);1TRFE,2TRFE..TRH200,203,213,223..(06S,13S,14S,15S,16S)..4FC200501-201401
17611APIPE, AIR PUMP INLET
main17611-75010i2TRFE..TRH201,221..ARL;2TRFE..TRH201,213..(06S,09S,10S,11S)..(GEN,TH);2TRFE..TRH201,22#..SG..(03S,14S,15S)..5F..(ARL,GEN,TH);1TRFE,2TRFE..TRH200,203,213,223..(06S,13S,14S,15S,16S)..4FC200501-201401
17618AINSULATOR, AIR PUMP
main17618-0C010×3i2TRFE..TRH201,221..ARL;2TRFE..TRH201,213..(06S,09S,10S,11S)..(GEN,TH);2TRFE..TRH201,22#..SG..(03S,14S,15S)..5F..(ARL,GEN,TH);1TRFE,2TRFE..TRH200,203,213,223..(06S,13S,14S,15S,16S)..4FC200501-201401
17621AINLET, AIR PUMP
main17621-75010i2TRFE..TRH201,221..ARL;2TRFE..TRH201,213..(06S,09S,10S,11S)..(GEN,TH);2TRFE..TRH201,22#..SG..(03S,14S,15S)..5F..(ARL,GEN,TH);1TRFE,2TRFE..TRH200,203,213,223..(06S,13S,14S,15S,16S)..4FC200501-201401
25710VALVE ASSY, AIR SWITCHING
main25710-75012i2TRFE..TRH201,22#..5F..ARL; 2TRFE..TRH201,221..RHD..5F..(ARL,GEN);2TRFE..TRH201,213,22#..SG..(03S,10S,12S,14S)..5F..(ARL,CIS,GEN); 2TRFE..TRH213..GL..GEN; 2TRFE..TRH213..LHD..STD..GEN; 2TRFE..TRH221..SG; 2TRFE..TRH223..5F..GL..GEN; 2TRFE..TRH223..5F..GL..GEN;2TRFE..TRH201,221..SP..03S..GEN201110-201201
CHINA(PRC) SPEC; ECUADOR SPEC; EXHAUST EMISSION CONTROL-GASOLINE EURO2; LPG CONVERSION PACKAGE; MEXICO SPEC; PERU SPEC
main25710-75013i2TRFE..TRH201,22#..5F..ARL; 2TRFE..TRH201,221..RHD..5F..(ARL,GEN);2TRFE..TRH201,213,22#..SG..(03S,10S,12S,14S)..5F..(ARL,CIS,GEN); 2TRFE..TRH213..GL..GEN; 2TRFE..TRH213..LHD..STD..GEN; 2TRFE..TRH221..SG; 2TRFE..TRH223..5F..GL..GEN; 2TRFE..TRH223..5F..GL..GEN;2TRFE..TRH201,221..SP..03S..GEN201201-201206
CHINA(PRC) SPEC; ECUADOR SPEC; EXHAUST EMISSION CONTROL-GASOLINE EURO2; LPG CONVERSION PACKAGE; MEXICO SPEC; PERU SPEC
main25710-75014i2TRFE..TRH201,22#..ARL; 2TRFE..TRH213..GL..GEN; 2TRFE..TRH213..LHD..STD..GEN; 2TRFE..TRH221..SG; 2TRFE..TRH223..5F..(ARL,CIS);2TRFE..TRH203,213,223..4D..4FC;2TRFE..TRH201,221..RHD..(ARL,GEN);2TRFE..TRH201,213,221..SG..(03S,10S,11S)..(GEN,TH); 2TRFE..TRH223..5F..GL..GEN; 2TRFE..TRH223..5F..GL..GEN;2TRFE..TRH201,221..SP..03S..GEN201206-201305
CHINA(PRC) SPEC; ECUADOR SPEC; EXHAUST EMISSION CONTROL-GASOLINE EURO2; LPG CONVERSION PACKAGE; MEXICO SPEC; PERU SPEC
main25710-75015i2TRFE..TRH201,22#..ARL; 2TRFE..TRH213..GL..GEN; 2TRFE..TRH213..LHD..STD..GEN; 2TRFE..TRH221..SG; 2TRFE..TRH223..5F..(ARL,CIS);2TRFE..TRH203,213,223..4D..4FC;2TRFE..TRH201,221..RHD..(ARL,GEN);2TRFE..TRH201,213,221..SG..(03S,10S,11S)..(GEN,TH); 2TRFE..TRH223..5F..GL..GEN; 2TRFE..TRH223..5F..GL..GEN;2TRFE..TRH201,221..SP..03S..GEN201305-201312
CHINA(PRC) SPEC; ECUADOR SPEC; EXHAUST EMISSION CONTROL-GASOLINE EURO2; LPG CONVERSION PACKAGE; MEXICO SPEC; PERU SPEC
main25710-75020i2TRFE..TRH201,22#..5F..ARL; 2TRFE..TRH201,22#..ARL; 2TRFE..TRH201,221..5D..03S..GEN; 2TRFE..TRH201,221..ARL;2TRFE..TRH201,221..SG..03S;2TRFE..TRH201,213,223..(06S,09S,10S,11S,13S,14S,15S)..(ARL,GEN,TH); 2TRFE..TRH201..5D..03S..GEN; 2TRFE..TRH213..10S..GEN200501-200912
CHILI SPEC; EXHAUST EMISSION CONTROL-GASOLINE EURO2; LPG CONVERSION PACKAGE; MEXICO SPEC; SOUTH AFRICA SPEC; VIETNAM SPEC; VIETNAM SPEC&EXHAUST EMISSION CONTROL-GASOLINE EURO2
main25710-75021i2TRFE..TRH201,221..5D..03S..GEN; 2TRFE..TRH201,221..ARL;2TRFE..TRH201,221..SG..03S;2TRFE..TRH201,213,223..(06S,10S,11S,12S,13S,14S,15S)..(ARL,CIS,GEN,TH); 2TRFE..TRH201..5D..03S..GEN; 2TRFE..TRH203,213..LHD..(15S,16S)..GEN; 2TRFE..TRH223..5F..GL..GEN200912-201005
CHILI SPEC; CHINA(PRC) SPEC&EXHAUST EMISSION CONTROL-GASOLINE EURO3; CHINA(PRC) SPEC&EXHAUST EMISSION CONTROL-GASOLINE EURO4; MEXICO SPEC; MEXICO SPEC&EXHAUST EMISSION CONTROL-TIER1; PERU SPEC
main25710-75022i2TRFE..TRH201,22#..5F..ARL; 2TRFE..TRH201,221..5D..03S..GEN; 2TRFE..TRH201,221..5F..ARL;2TRFE..TRH201,221..SG..03S;2TRFE..TRH201,213,223..(06S,10S,12S,14S)..5F..(ARL,CIS,GEN); 2TRFE..TRH213..GL..GEN; 2TRFE..TRH213..LHD..STD..GEN; 2TRFE..TRH221..SG201006-201110
ECUADOR SPEC; EXHAUST EMISSION CONTROL-GASOLINE EURO2; LPG CONVERSION PACKAGE; MEXICO SPEC; PERU SPEC
LPG CONVERSION PACKAGE
LPG CONVERSION PACKAGE
25717AGASKET, AIR SWITCHING VALVE
main25717-75010×2i2TRFE..TRH201,221..ARL;2TRFE..TRH201,213..(06S,09S,10S,11S)..(GEN,TH);2TRFE..TRH201,22#..SG..(03S,14S,15S)..5F..(ARL,GEN,TH);1TRFE,2TRFE..TRH200,203,213,223..(06S,13S,14S,15S,16S)..4FC200501-201401
8404ELECTRONIC FUEL INJECTION SYSTEM
827111E320WIRE, FUSE TO FUSE(FOR COMBUSTION HEATER)
main82711-1E320
9012608001
main90126-08001
9012608031
main90126-08031
9012608052
main90126-08052
9017908101
main90179-08101
9046728007
main90467-28007
9155380818
main91553-80818
22 parts on this diagram · 2 diagrams in section