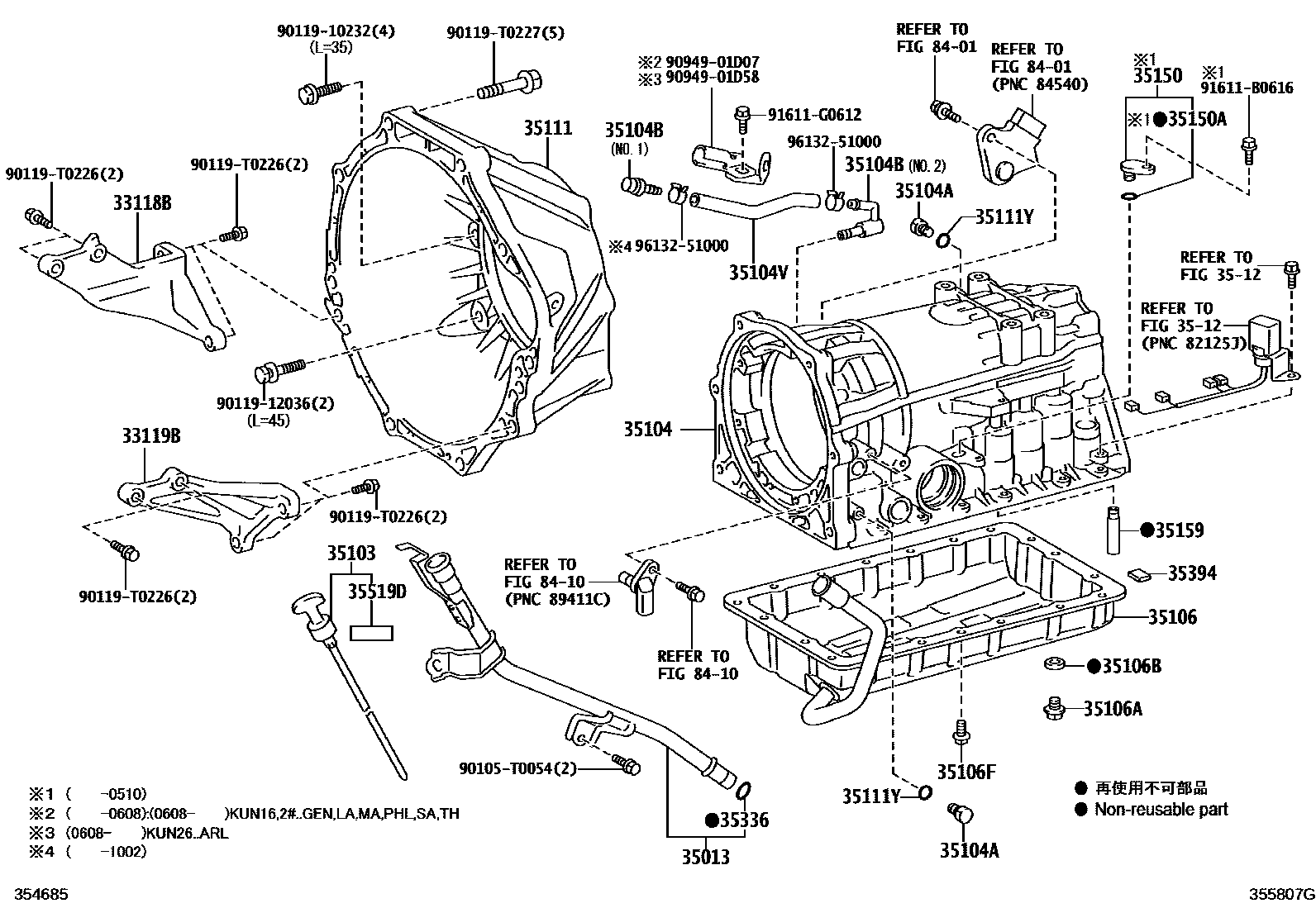
TRANSMISSION CASE & OIL PAN (ATM)

33118BPLATE, STIFFENER, RH(ATM)
33119BPLATE, STIFFENER, LH(ATM)
35013TUBE SUB-ASSY, TRANSMISSION OIL FILLER
35103GAGE SUB-ASSY, TRANSMISSION OIL LEVEL
35104CASE SUB-ASSY, AUTOMATIC TRANSMISSION
35104APLUG, AUTOMATIC TRANSMISSION CASE
main90341-08001iTGN26..4FC..(GCC,TH);TGN16,36..(DCB,XTR)..(ANCOM,PHL,TH);KUN16,2#..4FC..(ARL,GEN,LA,MA,PHL,TH)200408-201107
35104BPLUG, BREATHER, NO.1 (ATM)
NO.2
NO.1
35104VHOSE (FOR BREATHER PLUG)
35106PAN SUB-ASSY, AUTOMATIC TRANSMISSION OIL
35106APLUG SUB-ASSY, DRAIN (ATM)
35106BGASKET, DRAIN PLUG (ATM)
main35178-30010iTGN26..4FC..(GCC,TH);TGN16,36..(DCB,XTR)..(ANCOM,PHL,TH);KUN16,2#..4FC..(ARL,GEN,LA,MA,PHL,TH)200408-201107
35106FBOLT (FOR AUTOMATIC TRANSMISSION OIL PAN)
main90119-06513iTGN26..4FC..(GCC,TH);TGN16,36..(DCB,XTR)..(ANCOM,PHL,TH);KUN16,2#..4FC..(ARL,GEN,LA,MA,PHL,TH)200408-201204
35111HOUSING, AUTOMATIC TRANSMISSION
35111YRING, O (FOR AUTOMATIC TRANSMISSION CASE)
main90301-06196iTGN26..4FC..(GCC,TH);TGN16,36..(DCB,XTR)..(ANCOM,PHL,TH);KUN16,2#..4FC..(ARL,GEN,LA,MA,PHL,TH)200408-201107
3512VALVE BODY & OIL STRAINER (ATM)
35150PLUG ASSY, TRANSMISSION CASE
35150ARING, O (FOR AUTOMATIC TRANSMISSION CASE PLUG)
35159GASKET, BRAKE DRUM
35336RING, O (FOR TRANSMISSION OIL FILLER TUBE)
35394MAGNET, OIL CLEANER (FOR TRANSMISSION)
main35394-30011iTGN26..4FC..(GCC,TH);TGN16,36..(DCB,XTR)..(ANCOM,PHL,TH);KUN16,2#..4FC..(ARL,GEN,LA,MA,PHL,TH)200408-201107
35519DLABEL, AUTOMATIC TRANSMISSION INFORMATION
main35519-20030iTGN26..4FC..(GCC,TH);TGN16,36..(DCB,XTR)..(ANCOM,PHL,TH);KUN16,2#..4FC..(ARL,GEN,LA,MA,PHL,TH)200408-200812
8401SWITCH & RELAY & COMPUTER
8410OVERDRIVE & ELECTRONIC CONTROLLED TRANSMISSION
90105T0054
main90105-T0054
9011910232
main90119-10232
9011912036
main90119-12036
90119T0226
main90119-T0226
90119T0227
main90119-T0227
9094901D07
main90949-01D07
9094901D58
main90949-01D58
91611B0616
main91611-B0616
91611G0612
main91611-G0612
9613251000
main96132-51000
33 parts on this diagram · 3 diagrams in section