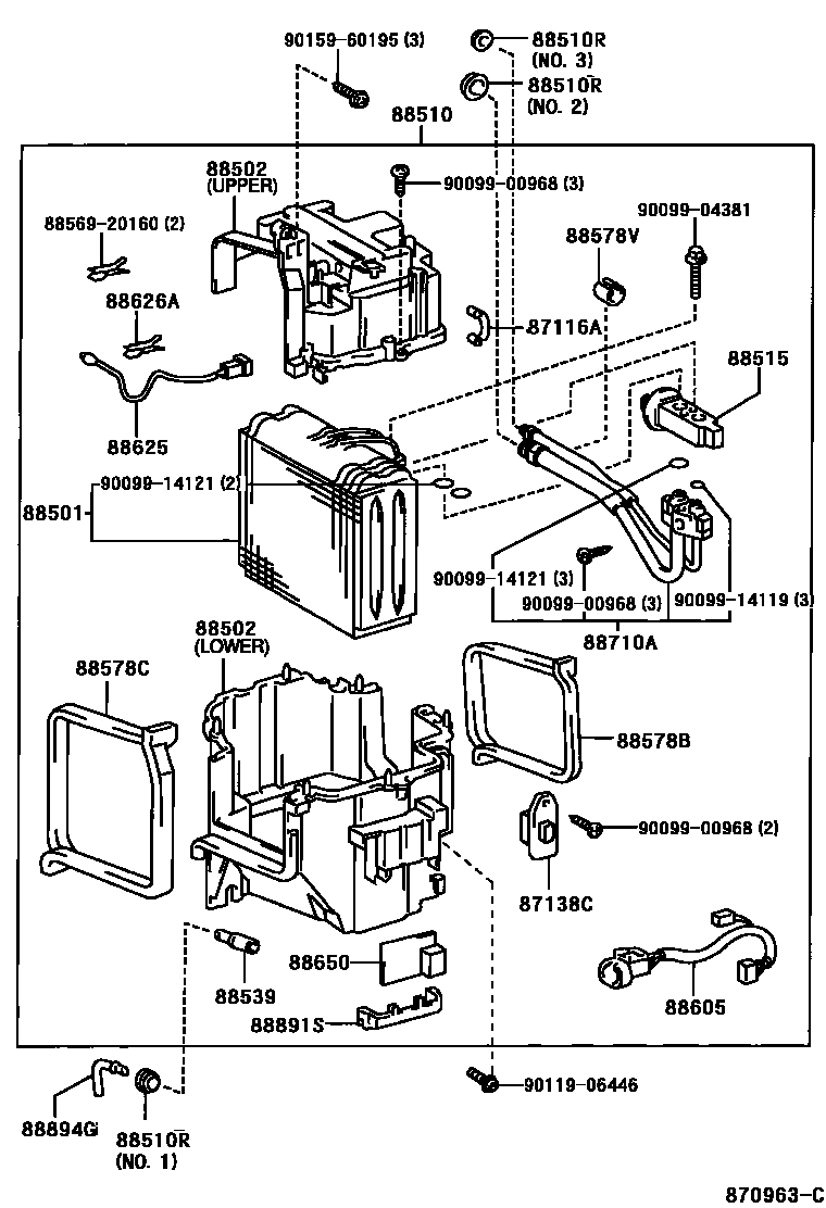
HEATING & AIR CONDITIONING - COOLER UNIT

87116ASPRING, HOLDING (FOR COOLER UNIT CASE)
87138CRESISTOR, BLOWER
88501EVAPORATOR SUB-ASSY, COOLER, NO.1
88502CASE SUB-ASSY, COOLING UNIT
UPPER
LOWER
W(AUTO AIR CONDITIONER),LOWER
UPPER
LOWER
88510UNIT ASSY, COOLER
MAKER OPTION
W(AUTO AIR CONDITIONER)
DEALER OPTION
88510RGROMMET (FOR COOLER UNIT)
NO.2
NO.3
NO.1
NO.2
NO.3
88515VALVE, COOLER EXPANSION
88539HOSE, COOLER UNIT DRAIN, NO.1
88578BPACKING, COOLING UNIT, NO.1
88578CPACKING, COOLING UNIT, NO.2
88578VPACKING, COOLING UNIT, NO.3
88605HARNESS SUB-ASSY, COOLER WIRING, NO.1
88625THERMISTOR, COOLER, NO.1
88626AHOLDER, THERMISTOR
88650AMPLIFIER ASSY, COOLER STABILIZER
88710ATUBE ASSY, AIR CONDITIONER
88891SCOVER, COOLER, NO.1
88894GCONNECTOR, DRAIN HOSE
8856920160CLAMP (FOR COOLER RELAY)
main88569-20160
9009900968
main90099-00968
9009904381
main90099-04381
9009914119
main90099-14119
9009914121
main90099-14121
9011906446
main90119-06446
9015960195
main90159-60195
25 parts on this diagram · 2 diagrams in section