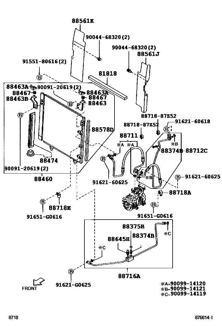
HEATING & AIR CONDITIONING - COOLER PIPING

81818PACKING
88374BVALVE, SERVICE, NO.1
(J),NO.2
88375BCAP, SERVICE VALVE, NO.1
88460CONDENSER ASSY, COOLER
88463BRACKET, COOLER CONDENSER, NO.1
88463ABRACKET, COOLER CONDENSER, NO.2
88463BBRACKET, COOLER CONDENSER, NO.3
88467CUSHION, COOLER CONDENSER, NO.1
88474DRYER, COOLER
88561JGRILLE, AIR INLET NO.1
88561KGRILLE, AIR INLET NO.2
88578DPACKING, COOLER PIPE, NO.1
88645HSWITCH, PRESSURE NO.1
88711HOSE, COOLER REFRIGERANT DISCHARGE, NO.1
88712CHOSE, SUCTION
88716APIPE, COOLER REFRIGERANT LIQUID, A
88718ACLAMP, NO.1(FOR COOLER REFRIGERANT PIPE)
88718ECLAMP, NO.5(FOR COOLER REFRIGERANT PIPE)
8871887Z52PIPE, COOLER REFRIGERANT SUCTION, NO.2
main88718-87Z52
9004468320
main90044-68320
9009120619
main90091-20619
9009914119
main90099-14119
9009914120
main90099-14120
9009914121
main90099-14121
9155180616
main91551-80616
9162160618
main91621-60618
9162160625
main91621-60625
91621G0625
main91621-G0625
91651G0616
main91651-G0616
29 parts on this diagram · 9 diagrams in section