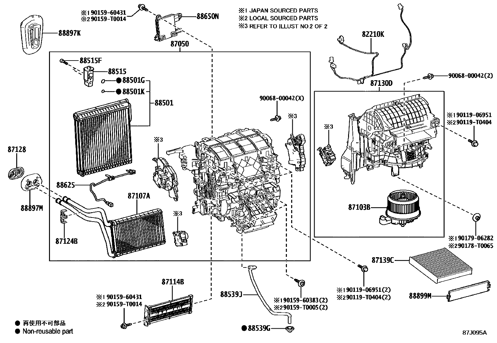
HEATING & AIR CONDITIONING - COOLER UNIT

82210KHARNESS ASSY, AIR CONDITIONER
AIR CONDITIONER-AUTO
87050RADIATOR ASSY, AIR CONDITIONER
AIR CONDITIONER-AUTO(DUAL MODE CONTROL)
AIR CONDITIONER-AUTO
87103BMOTOR SUB-ASSY, BLOWER W/FAN
87107AUNIT SUB-ASSY, HEATER RADIATOR
87114BCOVER, HEATER
87124BCLAMP, HEATER
87128GROMMET, HEATER
87130DBLOWER ASSY
87139CFILTER, CLEAN AIR
POLLEN FILTER
POLLEN FILTER
POLLEN FILTER
POLLEN FILTER
main87139-0K070iZSG10..RHD..THP..(E,N); ZSG10..RHD..THP..E; ZVG10..RHD..E..GEN;ZSG10..RHD..THP..G..GEN; ZVG10..THP..G..GEN; ZVG10..THP..G..GEN;ZSG10..RHD..THP..(E,N)202401
POLLEN FILTER; POLLEN FILTER,BHUTAN SPEC; POLLEN FILTER,LATIN AMERICA 1 SPEC; POLLEN FILTER,LATIN AMERICA 2 SPEC; POLLEN FILTER,LATIN AMERICA 3 SPEC; POLLEN FILTER,LATIN AMERICA 4 SPEC; POLLEN FILTER,NEPAL, BANGLADESH SPEC; POLLEN FILTER,SRI LANKA SPEC
POLLEN FILTER
POLLEN FILTER
DEODORANT FILTER
88501EVAPORATOR SUB-ASSY, COOLER, NO.1
88501GO-RING, COOLER EVAPORATOR NO.1(SUCTION)
ID=13.4,OD=18.2
88501KO-RING, COOLER EVAPORATOR NO.1(LIQUID)
ID=10.2,OD=15.0
ID=10.8,OD=15.6
88515VALVE, COOLER EXPANSION
main88515-02750iMXGA10;ZVG10..BZP..E..GEN;ZVG10..BZP..G..(BZ,GEN); ZVG10..AGT;ZVG10..E..BZ; ZVG10..BZP..E..GEN202201-202403
AIR CONDITIONER-AUTO(DUAL MODE CONTROL)
88515FBOLT(FOR COOLER EXPANSION VALVE)
88539GGROMMET (FOR COOLER UNIT DRAIN HOSE)
88539JHOSE, DRAIN COOLER
88625THERMISTOR, COOLER, NO.1
88650NAMPLIFIER ASSY, AIR CONDITIONER
88897KGROMMET, (FOR COOLER PIPE)
88897MGROMMET (FOR HEATER PIPE)
88899MPLATE, COVER(FOR AIR FILTER)
9006800042
main90068-00042
9011906951
main90119-06951
90119T0404
main90119-T0404
9015960383
main90159-60383
9015960431
main90159-60431
90159T0005
main90159-T0005
90159T0014
main90159-T0014
90178T0065
main90178-T0065
9017906282
main90179-06282
30 parts on this diagram · 10 diagrams in section