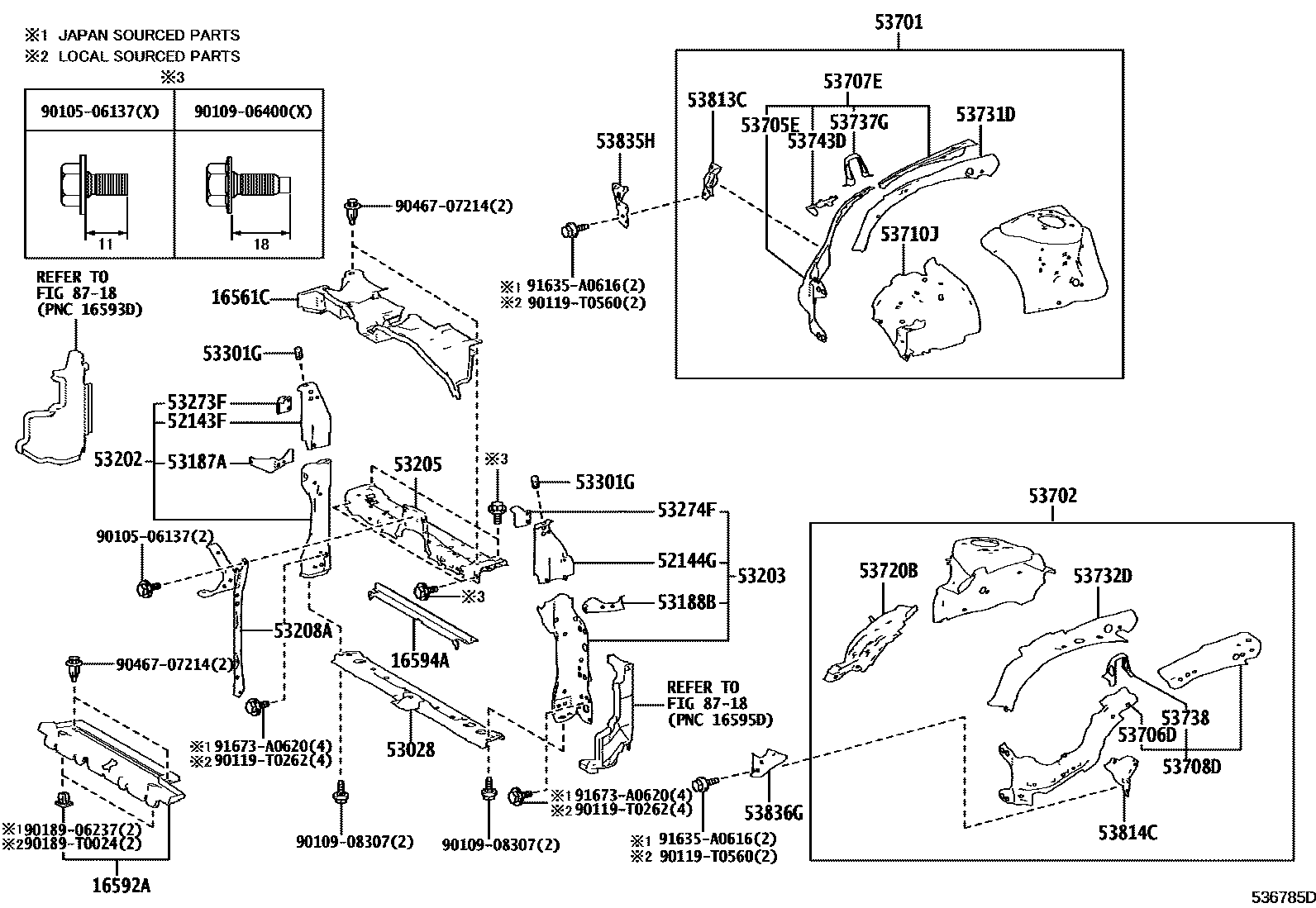
FRONT FENDER APRON & DASH PANEL

16561CSEAL, RADIATOR TO SUPPORT, NO.1
main16561-0T220i2ZRFE..ZSG10..(SAP,THP)..E;2ZRFE..ZSG10..(G,N)..(SA,VN);2ZRFE..ZSG10..RHD..THP..(G,N);2ZRFE..ZSG10..LHD..SAP..(G,N);2ZRFXE..ZVG10..(SAP,THP)..(E,G)202007-202512
16592AGUIDE, RADIATOR AIR, NO.3
main16592-0T310i2ZRFE..ZSG10..(SAP,THP)..E;2ZRFE..ZSG10..(G,N)..(SA,VN);2ZRFE..ZSG10..RHD..THP..(G,N);2ZRFE..ZSG10..LHD..SAP..(G,N);2ZRFXE..ZVG10..(SAP,THP)..(E,G)202007-202512
16594AGUIDE, RADIATOR AIR, NO.2
52143FBRACKET, FRONT BUMPER SIDE, RH
main52143-0A040iZSG10..E;ZSG10..(G,N)..(SA,VN);ZSG10..LHD..SAP..(G,N);ZSG10..RHD..THP..(G,N)..GEN;ZVG10..(MAP,SAP,THP)..(E,G,R)202007-202512
52144GBRACKET, FRONT BUMPER SIDE, LH
53028SUPPORT SUB-ASSY, RADIATOR, LOWER
53187ASTAY, RADIATOR SUPPORT, RH
main53187-0A040iZSG10..E;ZSG10..(G,N)..(SA,VN);ZSG10..LHD..SAP..(G,N);ZSG10..RHD..THP..(G,N)..GEN;ZVG10..(MAP,SAP,THP)..(E,G,R)202007-202512
53188BSTAY, RADIATOR SUPPORT, LH
53202SUPPORT SUB-ASSY, RADIATOR, RH
53203SUPPORT SUB-ASSY, RADIATOR, LH
53205SUPPORT SUB-ASSY, RADIATOR, UPPER
main53205-0A020iZSG10..(SAP,THP)..E;ZSG10..(G,N)..(SA,VN);ZSG10..LHD..SAP..(G,N);ZVG10..(SAP,THP)..(E,G);ZSG10..RHD..THP..(G,N)..GEN202007-202512
53208ASUPPORT SUB-ASSY, HOOD LOCK
53273FBRACKET, FRONT BUMPER RETAINER MOUNTING, RH
main53273-0A040iZSG10..LHD..E;ZSG10..RHD..THP;ZSG10..(MAP,SAP)..E;ZSG10..(G,N)..(SA,VN);ZSG10..LHD..SAP..(G,N);ZVG10..(MAP,SAP,THP)..(E,G,R)202007-202411
53274FBRACKET, FRONT BUMPER RETAINER MOUNTING, LH
53301GCUSHION, HOOD BUMPER
53701APRON SUB-ASSY, FRONT FENDER, RH
53702APRON SUB-ASSY, FRONT FENDER, LH
53705EMEMBER SUB-ASSY, FRONT APRON TO COWL SIDE, RH
53706DMEMBER SUB-ASSY, FRONT APRON TO COWL SIDE, LH
53707EAPRON SUB-ASSY, FENDER SIDE, RH
main53707-0A010iZSG10..LHD..E..GEN;ZSG10..RHD..THP..GEN;ZSG10..(E,N)..(MA,VN);ZVG10..(MAP,THP)..(E,G,R)202007-202512
53708DAPRON SUB-ASSY, FENDER SIDE, LH
main53708-0A010iZSG10..LHD..E..GEN;ZSG10..RHD..THP..GEN;ZSG10..(E,N)..(MA,VN);ZVG10..(MAP,THP)..(E,G,R)202007-202512
53710JAPRON ASSY, FRONT FENDER, RH
53720BAPRON ASSY, FRONT FENDER, LH
53731DMEMBER, FRONT APRON TO COWL SIDE, UPPER RH
53732DMEMBER, FRONT APRON TO COWL SIDE, UPPER LH
53737GPLATE, FRONT APRON TO COWL SIDE MEMBER, RH
53738PLATE, FRONT APRON TO COWL SIDE MEMBER, LH
53743DREINFORCEMENT, FRONT FENDER APRON FRONT EXTENSION, RH
53813CEXTENSION, FRONT FENDER, RH
53814CEXTENSION, FRONT FENDER, LH
53835HBRACE, FRONT FENDER TO EXTENSION, RH
53836GBRACE, FRONT FENDER TO EXTENSION, LH
8718HEATING & AIR CONDITIONING - COOLER PIPING
9010506137
main90105-06137
9010906400
main90109-06400
9010908307
main90109-08307
90119T0262
main90119-T0262
90119T0560
main90119-T0560
9018906237
main90189-06237
90189T0024
main90189-T0024
9046707214
main90467-07214
91635A0616
main91635-A0616
91673A0620
main91673-A0620
43 parts on this diagram · 9 diagrams in section