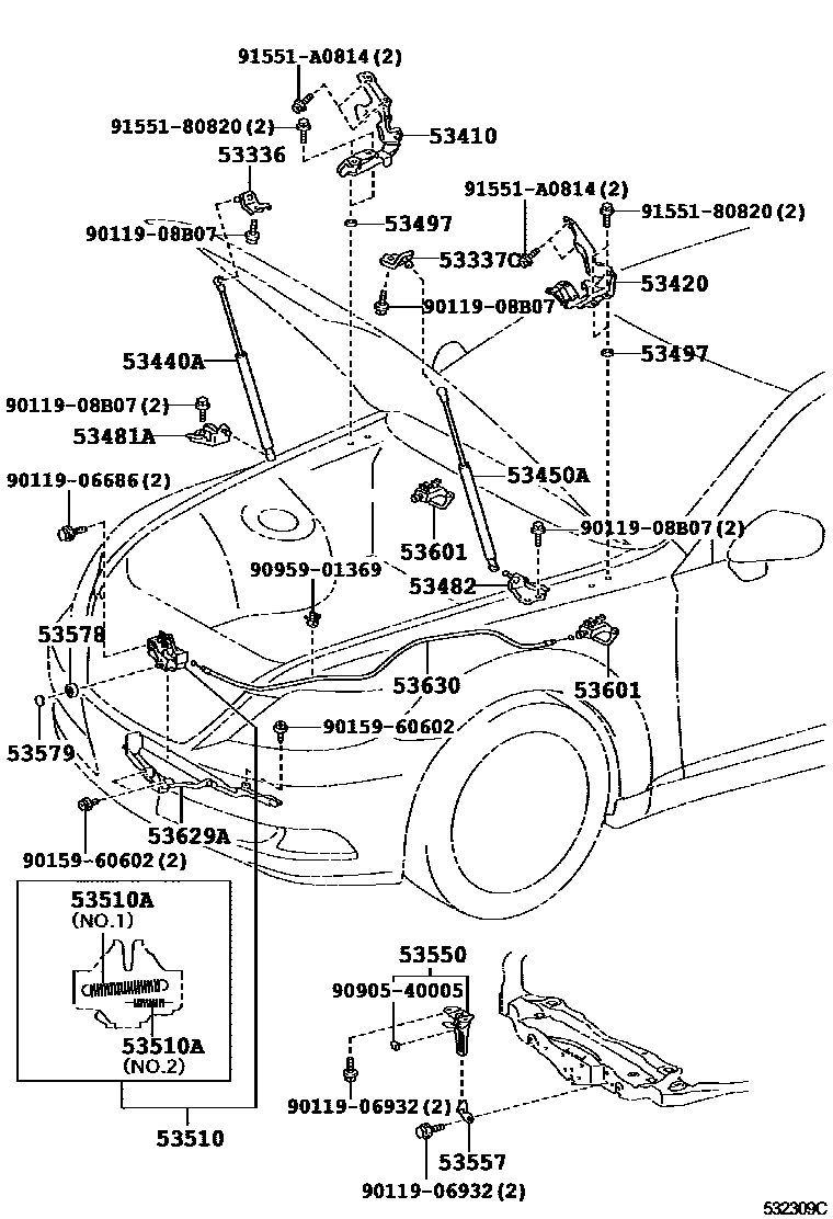
HOOD LOCK & HINGE

53336BRACKET, HOOD STAY, RH
53337CBRACKET, HOOD STAY, LH
53410HINGE ASSY, HOOD, RH
53420HINGE ASSY, HOOD, LH
53440ASUPPORT ASSY, HOOD, RH
53450ASUPPORT ASSY, HOOD, LH
53481ABRACKET, HOOD SUPPORT, RH
53482BRACKET, HOOD SUPPORT, LH
53497PAD, HOOD HINGE, NO.1
T=1.0
53510LOCK ASSY, HOOD
53510ASPRING, TENSION(FOR HOOD LOCK)
WD=0.9,CW=20.5,NO.2
WD=1.4,CW=15
53550HOOK ASSY, HOOD AUXILIARY CATCH
53557CATCH, HOOD AUXILIARY HOOK
53578NUT, HOOD LOCK
53579CAP, HOOD LOCK NUT
53601LEVER SUB-ASSY, HOOD LOCK CONTROL
IVORY,TRIM00
main53601-52010-A2iUSF40,41,45..RHD;USF40,41..D4..GCC; USF40,41..HTWC;USF4#..LHD..D4..EUR200909-201209
MELLOW WHITE,TRIM01,07; MELLOW WHITE,TRIM07
IVORY,TRIM00,06
LT.GRAY,TRIM1#
BLACK,TRIM2#
53629ACOVER, HOOD LOCK CONTROL CABLE
53630CABLE ASSY, HOOD LOCK CONTROL
9011906686
main90119-06686
9011906932
main90119-06932
9011908B07
main90119-08B07
9015960602
main90159-60602
9090540005
main90905-40005
9095901369
main90959-01369
9155180820
main91551-80820
91551A0814
main91551-A0814
26 parts on this diagram · 2 diagrams in section