E
EPC Data

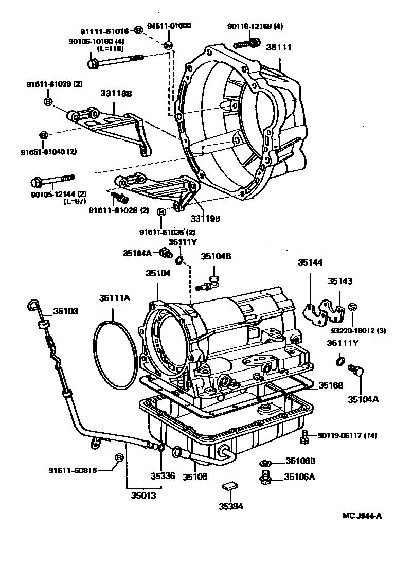
TRANSMISSION CASE & OIL PAN (ATM)

Parts diagram
33118BPLATE, STIFFENER, RH(ATM)
main33118-22030i198810-199302
main33118-22051i198812-199205
main33118-22060i198812-199205
33119BPLATE, STIFFENER, LH(ATM)
main33119-22022i198810-199302
main33119-22030i198812-199205
main33119-22042i198812-199205
35013TUBE SUB-ASSY, TRANSMISSION OIL FILLER
main35013-22200i198812-199205
main35013-22260i198812-199205
main35013-35100i198810
35103GAGE SUB-ASSY, TRANSMISSION OIL LEVEL
main35103-22140i198812-199205
main35103-30240i198812-199205
main35103-35090i198810
35104CASE SUB-ASSY, AUTOMATIC TRANSMISSION
main35104-26021i198810-199302
main35104-30133i198812-199205
35104APLUG, AUTOMATIC TRANSMISSION CASE
main90341-08001×2i198810-199302
35104BPLUG, BREATHER, NO.1 (ATM)
main90930-03108i198810-199302
35106PAN SUB-ASSY, AUTOMATIC TRANSMISSION OIL
main35106-30060i198810-198911
main35106-30061i198911-199302
main35106-30100i198812-198911
main35106-30101i198911-199205
35106APLUG SUB-ASSY, DRAIN (ATM)
main90341-10006i198810-199302
35106BGASKET, DRAIN PLUG (ATM)
main35178-30010i198810-199302
35111HOUSING, AUTOMATIC TRANSMISSION
main35111-24010i198812-199205
main35111-24021i198812-199205
main35111-35022i198810-199302
35111ARING, O (FOR AUTOMATIC TRANSMISSION HOUSING)
main90301-99054i198810-199302
35111YRING, O (FOR AUTOMATIC TRANSMISSION CASE)
main90301-06196×2i198810-199302
35143COVER, TRANSMISSION CASE, REAR
main35143-22010i198810-199302
35144GASKET, TRANSMISSION CASE REAR COVER
main35144-22010i198810-199012
main35144-28010i199012-199302
35168GASKET, AUTOMATIC TRANSMISSION OIL PAN
main35168-22011i198810-199302
35336RING, O (FOR TRANSMISSION OIL FILLER TUBE)
main90301-09173i198810-199302
9010510190
9010512144
9011906117
9011912168
9111151016
9161160816
9161161028
9161161035
9165161040
9322016012
9451101000

28 parts on this diagram · 3 diagrams in section

TRANSMISSION CASE & OIL PAN (ATM) — Toyota Parts Diagram with OEM Numbers & Prices | EPC Data