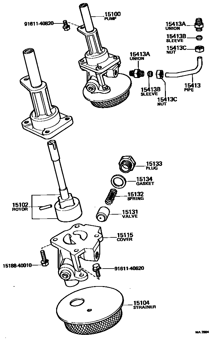
ENGINE OIL PUMP

15102ROTOR SET, OIL PUMP
15104STRAINER SUB-ASSY, OIL
15115COVER, OIL PUMP
15131VALVE, OIL PUMP RELIEF
15132SPRING, OIL PUMP RELIEF VALVE
15133PLUG, OIL PUMP RELIEF VALVE
15134GASKET, OIL PUMP RELIEF VALVE
15413PIPE, OIL PUMP OUTLET
15413AUNION(FOR OIL PUMP OUTLET PIPE)
15413BSLEEVE, BALL(FOR OIL PUMP OUTLET PIPE)
15413CNUT, UNION(FOR OIL PUMP OUTLET PIPE)
1518840010GASKET, OIL PUMP
main15188-40010
9161140620
main91611-40620
9161140820
main91611-40820
15 parts on this diagram · 3 diagrams in section