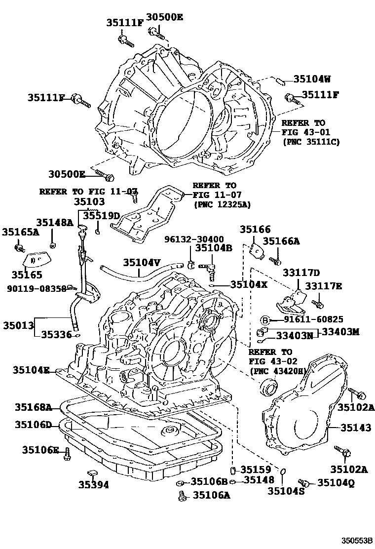
TRANSMISSION CASE & OIL PAN (ATM)

1107MOUNTING
30500EBOLT(FOR TRANSAXLE & ENGINE SETTING)
*8-1.25PX18-15
*10-1.25PX43-26
*12-1.25PX55-30
*12-1.25PX45-30
33117DPROTECTOR, AUTOMATIC TRANSMISSION CASE
33117EBOLT(FOR AUTOMATIC TRANSMISSION CASE PROTECTOR)
33403MCOVER SUB-ASSY, SPEEDOMETER DRIVEN HOLE (ATM)
33403NRING, O (FOR ATM SPEEDOMETER DRIVEN HOLE COVER)
35013TUBE SUB-ASSY, TRANSMISSION OIL FILLER
35102COVER SUB-ASSY, TRANSAXLE REAR
35102ABOLT (FOR TRANSAXLE REAR COVER SETTING)
*6-1.00PX32-32
*8-1.25PX45-35
*8-1.25PX35-30
*6-1.0PX25-25
35103GAGE SUB-ASSY, TRANSMISSION OIL LEVEL
35104BPLUG, BREATHER, NO.1 (ATM)
35104ECASE SUB-ASSY, AUTOMATIC TRANSAXLE
35104QPLUG, NO.1 (FOR TRANSAXLE CASE)
35104SRING, O (FOR TRANSAXLE CASE PLUG NO.1)
35104VHOSE (FOR BREATHER PLUG)
35104WPIN, STRAIGHT (FOR TRANSAXLE CASE)
HOUSING SIDE
REAR COVER SIDE
35104XRING, O (FOR BREATHER PLUG)
35106APLUG SUB-ASSY, DRAIN (ATM)
35106BGASKET, DRAIN PLUG (ATM)
35106DPAN SUB-ASSY, AUTOMATIC TRANSAXLE OIL
35106EBOLT (FOR TRANSAXLE OIL PAN)
35111FBOLT (FOR TRANSAXLE HOUSING & TRANSAXLE CASE SETTING)
*8-1.25PX45-35
*8-1.25PX72-30
*8-1.25PX35-30
*8-1.25PX30-25
*8-1.28PX30-25
35143COVER, TRANSMISSION CASE, REAR
35148GASKET, GOVERNOR APPLY, NO.1
35148AGASKET, GOVERNOR APPLY, NO.2
35159GASKET, BRAKE DRUM
35165ABOLT (FOR TRANSMISSION CASE PLATE NO.1)
35166PLATE, TRANSMISSION CASE, NO.3
35166ABOLT (FOR TRANSMISSION CASE PLATE NO.3)
35168AGASKET, AUTOMATIC TRANSAXLE OIL PAN
35336RING, O (FOR TRANSMISSION OIL FILLER TUBE)
35394MAGNET, OIL CLEANER (FOR TRANSMISSION)
35519DLABEL, AUTOMATIC TRANSMISSION INFORMATION
4301FRONT AXLE HOUSING & DIFFERENTIAL
4302FRONT DRIVE SHAFT
9011908358
main90119-08358
9161160825
main91611-60825
9613230400
main96132-30400
39 parts on this diagram · 2 diagrams in section