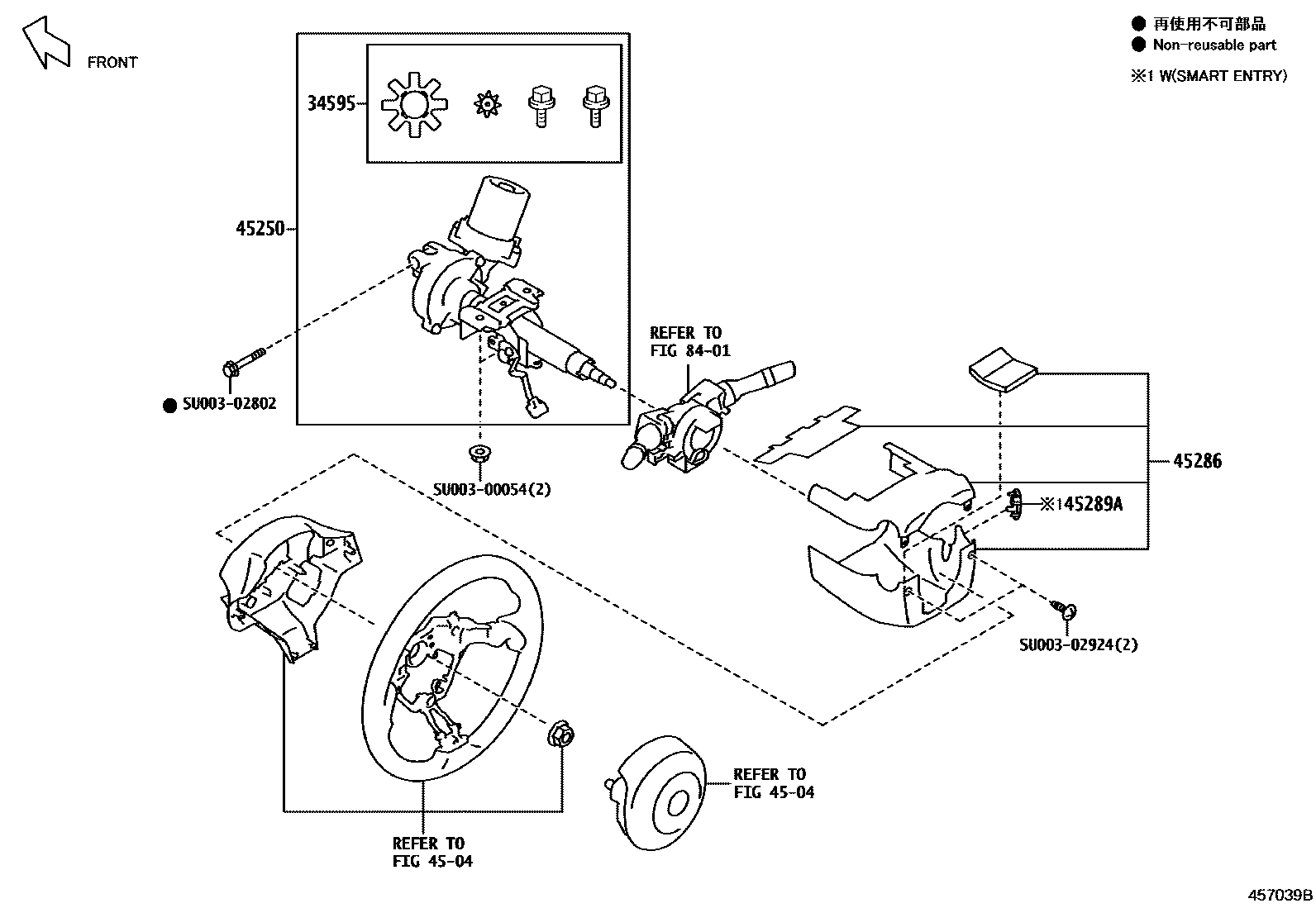
STEERING COLUMN & SHAFT

34595REPAIR KIT, DAMPER
4504STEERING WHEEL
45250COLUMN ASSY, STEERING
45286COVER, STEERING COLUMN
BLACK
45289ASUPPORT, STEERING COLUMN COVER
BLACK
8401SWITCH & RELAY & COMPUTER
SU00300054
mainSU003-00054
SU00302802
mainSU003-02802
SU00302924
mainSU003-02924
9 parts on this diagram · 6 diagrams in section