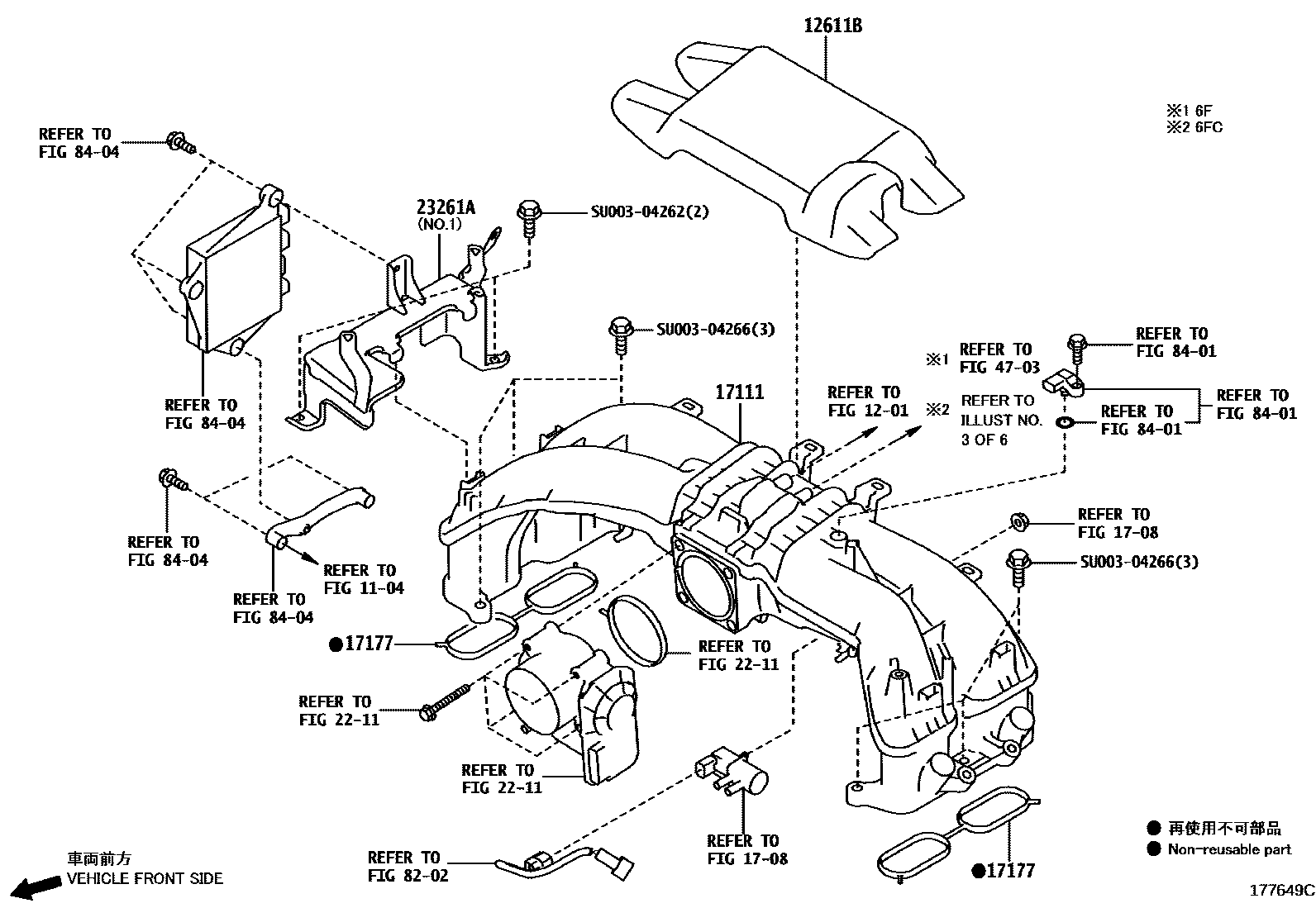
MANIFOLD

1104CYLINDER HEAD
1201VENTILATION HOSE
12611BCOVER, ENGINE, NO.1
1708VACUUM PIPING
17111MANIFOLD, INTAKE
17177GASKET, INTAKE MANIFOLD TO HEAD, NO.1
2211FUEL INJECTION SYSTEM
23261ACOVER, INJECTOR
NO.1
NO.2
NO.1
4703BRAKE BOOSTER & VACUUM TUBE
8202WIRING & CLAMP
8401SWITCH & RELAY & COMPUTER
8404ELECTRONIC FUEL INJECTION SYSTEM
SU00304262
mainSU003-04262
SU00304266
mainSU003-04266
14 parts on this diagram · 3 diagrams in section