HEATING & AIR CONDITIONING - CONTROL & AIR DUCT

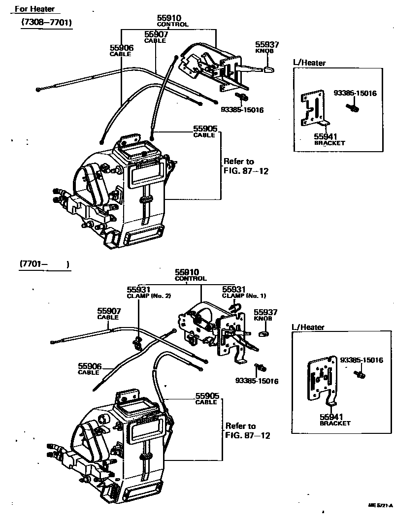
55905CABLE SUB-ASSY, DEFROST CONTROL
HEATER
HEATER
BOOST VENTILATOR
HEATER
HEATER
BOOST VENTILATOR
HEATER
BOOST VENTILATOR
55906CABLE SUB-ASSY, HEATER CONTROL
HEATER
HEATER
HEATER
HEATER
HEATER
55907CABLE SUB-ASSY, HEATER AIR INLET BUTTERFLY
BOOST VENTILATOR
55910CONTROL ASSY, HEATER OR BOOST VENTILATOR
HEATER OR COOLER
HEATER OR COOLER
HEATER OR COOLER
HEATER
HEATER
HEATER
HEATER
BOOST VENTILATOR
BOOST VENTILATOR
BOOST VENTILATOR
BOOST VENTILATOR
BOOST VENTILATOR
BOOST VENTILATOR
HEAVY DUTY HEATER
HEAVY DUTY HEATER
HEATER
HEATER
BOOST VENTILATOR
BOOST VENTILATOR
55931CLAMP, HEATER CONTROL WIRE
NO.1
NO.2
55937KNOB, HEATER CONTROL LEVER
BOOST VENTILATOR
55941BRACKET, HEATER CONTROL
L/HEATER & BOOST VENTILATOR
L/HEATER & BOOST VENTILATOR
L/HEATER & BOOST VENTILATOR
L/HEATER & BOOST VENTILATOR
8712HEATING & AIR CONDITIONING - HEATER UNIT & BLOWER
9338515016
main93385-15016
9 parts on this diagram · 8 diagrams in section