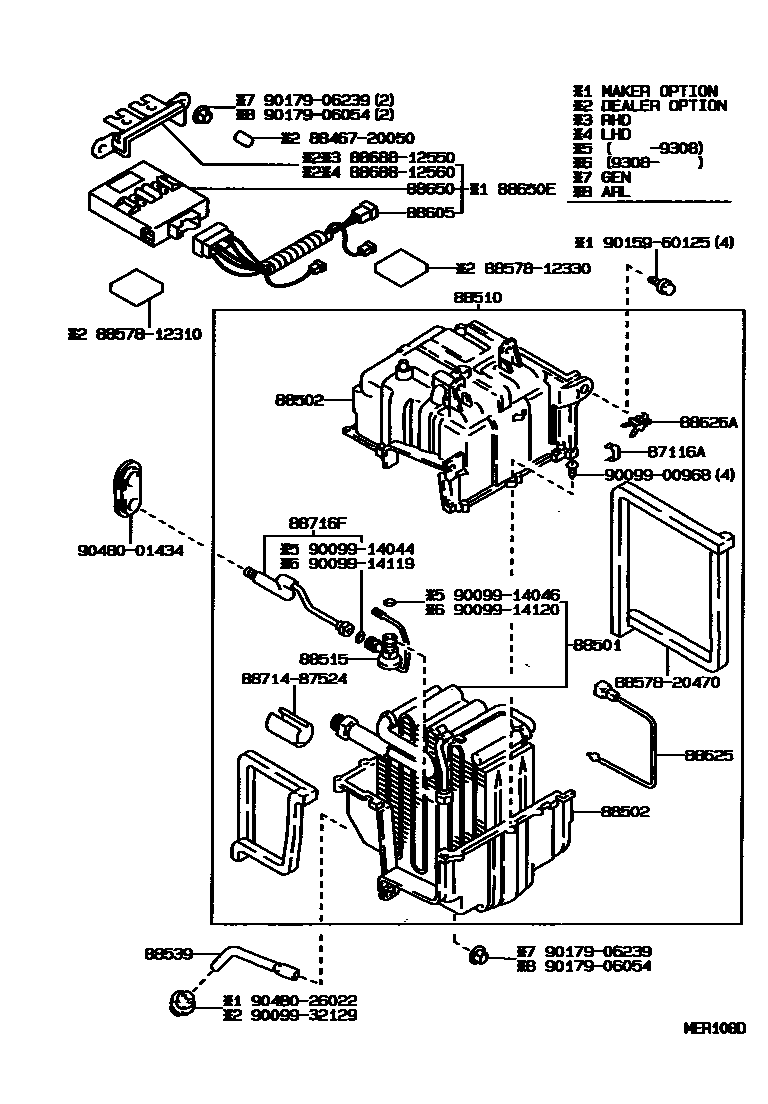
HEATING & AIR CONDITIONING - COOLER UNIT

87116ASPRING, HOLDING (FOR COOLER UNIT CASE)
88501EVAPORATOR SUB-ASSY, COOLER, NO.1
88502CASE SUB-ASSY, COOLING UNIT
UPR
LWR
UPR
LWR
88510UNIT ASSY, COOLER
88539HOSE, COOLER UNIT DRAIN, NO.1
88605HARNESS SUB-ASSY, COOLER WIRING, NO.1
DEALER OPTION
DEALER OPTION,W(*BV); W(*BV)
MAKER OPTION
MAKER OPTION,W(*BV)
88625THERMISTOR, COOLER, NO.1
MAKER OPTION
DEALER OPTION
88626AHOLDER, THERMISTOR
88650AMPLIFIER ASSY, COOLER STABILIZER
88650EAMPLIFIER ASSY, AIR CONDITIONER, NO.1
W(*BV)
W(*BV)
88716FPIPE, COOLER REFRIGERANT LIQUID, F
8846720050CUSHION, COOLER CONDENSER, NO.1
main88467-20050
8857812310PAKING, COOLER AIR DUCT
main88578-12310
8857812330PAKING, COOLER AIR DUCT
main88578-12330
8857820470PAKING, COOLER AIR DUCT
main88578-20470
8868812550BRACKET, COOLER DIAPHRAGM
main88688-12550
8868812560BRACKET, COOLER DIAPHRAGM
main88688-12560
8871487524HOSE, COOLER REFRIGERANT LIQUID, NO.1
main88714-87524
9009900968
main90099-00968
9009914044
main90099-14044
9009914046
main90099-14046
9009914119
main90099-14119
9009914120
main90099-14120
9009932129
main90099-32129
9015960125
main90159-60125
9017906054
main90179-06054
9017906239
main90179-06239
9048001434
main90480-01434
9048026022
main90480-26022
30 parts on this diagram · 1 diagram in section