FRONT AXLE HOUSING & DIFFERENTIAL

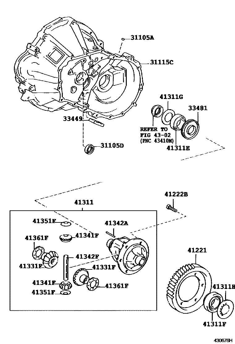
31105APLUG, TIGHT(FOR FRONT TRANSAXLE CASE)
31105DSEAL, OIL, NO.1(FOR FRONT TRANSAXLE CASE)
31115CCASE, FRONT TRANSAXLE(MTM)
33449MAGNET, TRANSMISSION
33481GEAR, SPEEDOMETER DRIVE (MTM)
N=35
41221GEAR, FRONT DIFFERENTIAL RING
41222BBOLT (FOR FRONT DIFFERENTIAL RING GEAR SET)
41311CASE, FRONT DIFFERENTIAL
41311EBEARING, TAPERED ROLLER (FOR FRONT DIFFERENTIAL CASE FRONT)
41311FBEARING, TAPERED ROLLER (FOR FRONT DIFFERENTIAL CASE REAR)
41311GWASHER, PLATE (FOR FRONT DIFFERENTIAL CASE FRONT)
T=2.1
41311HWASHER, PLATE (FOR FRONT DIFFERENTIAL CASE REAR)
T=2.00,MARK V
T=2.35,MARK A
T=2.40,MARK B
T=2.45,MARK C
T=2.50,MARK D
T=2.55,MARK E
T=2.60,MARK F
T=2.65,MARK G
T=2.70,MARK H
T=2.75,MARK J
T=2.80,MARK K
T=2.85,MARK L
T=2.90,MARK M
T=2.10,MARK Q
T=2.15,MARK R
T=2.20,MARK S
T=2.25,MARK T
T=2.30,MARK U
T=2.05,MARK W
T=2.10,MARK AA
T=2.15,MARK BB
T=2.20,MARK CC
T=2.25,MARK DD
T=2.30,MARK EE
T=2.35,MARK FF
T=2.40,MARK GG
T=2.45,MARK HH
T=2.50,MARK JJ
T=2.55,MARK KK
T=2.60,MARK LL
T=2.65,MARK MM
T=2.70,MARK NN
T=2.75,MARK PP
T=2.80,MARK QQ
T=2.85,MARK RR
T=2.90,MARK SS
T=2.95,MARK TT
T=3.00,MARK UU
41331FGEAR, FRONT DIFFERENTIAL SIDE
41341FPINION, FRONT DIFFERENTIAL
41342APIN, STRAIGHT (FOR FRONT DIFFERENTIAL PINION SHAFT)
41342FSHAFT, FRONT DIFFERENTIAL PINION, NO.1
41351FWASHER, FRONT DIFFERENTIAL PINION THRUST
41361FWASHER, FRONT DIFFERENTIAL SIDE GEAR THRUST, NO.1
T=0.95
T=1.00
T=1.05
T=1.10
T=1.15
T=1.20
T=1.00,MARK 02
T=1.10,MARK 03
T=1.20,MARK 04
T=0.95,MARK 14
T=1.05,MARK 15
T=1.15,MARK 16
4302FRONT DRIVE SHAFT
19 parts on this diagram · 3 diagrams in section